onsemi Comparateurs TL331
Les comparateurs TL331 d'onsemi sont des comparateurs monocanal, à collecteur ouvert et à faible puissance. Ces comparateurs sont spécialement conçus pour fonctionner sur une large plage de tension d’alimentation simple de 2 V à 36 V et une plage de ±1 V à ±18 V pour les alimentations divisées. Les comparateurs TL331 disposent d’un faible courant d’alimentation de 0,5 mA, d’un faible courant de polarisation d’entrée de 25 nA, d’un faible courant de décalage d’entrée de ±5 nA et d’une faible tension de décalage d’entrée de ±2 mV. La plage de tension d’entrée en mode commun comprend la mise à la terre, même lorsqu’elle fonctionne à partir d’une seule tension d’alimentation. Les comparateurs TL331 sont fournis dans un boîtier TSOP−5 peu encombrant et sont également disponibles en version homologuée pour l’automobile. Ces comparateurs sont utilisés dans l’automobile et d’autres applications qui nécessitent des exigences de site et de changement de contrôle uniques.Caractéristiques
- Large plage de tension d’alimentation simple ou alimentations doubles
- Faible courant d’alimentation de 0,5 mA (standard)
- Faible courant de polarisation en entrée : 25 nA (standard)
- Faible courant de décalage d’entrée de ±5 nA (standard)
- Faible tension de décalage d’entrée de ±2 mV (standard)
- Plage de température de fonctionnement de -40 °C à 125 °C
- Plage de tension d’entrée en mode commun incluant la mise à la terre
- Tension de saturation en sortie faible : 150 mV (standard) àIO = 4 mA
- Plage de tension d’entrée différentielle égale à la tension d’alimentation
- Homologué AEC-Q100 et compatible PPAP
- Sans plomb, sans halogène, sans BFR et conforme à la directive RoHS
Applications
- Dispositifs compatibles TTL, DTL, ECL et CMOS
- Convertisseurs
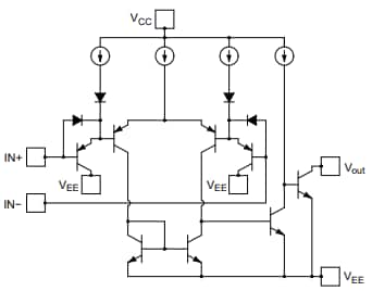
Schéma
View Results ( 4 ) Page
| Numéro de pièce | Fiche technique | Ib - Courant de polarisation d’entrée | Ios - Courant de décalage d'entrée | Vos - Tension de décalage d'entrée | Courant de sortie par canal | Courant d'alimentation de fonctionnement | Délai de propagation | Style de montage | Package/Boîte | Nombre de canaux | RoHS - Mouser |
|---|---|---|---|---|---|---|---|---|---|---|---|
| TL331VSN4T1G | ![]() |
25 nA | 5 nA | 1 mV | 500 uA | 850 ns | SMD/SMT | TSOP-5 | 1 Channel | Y | |
| TL331SN4T1G | ![]() |
400 nA | 150 nA | 9 mV | 20 mA | 500 uA | 850 ns | SMD/SMT | TSOP-5 | 1 Channel | Y |
| TL331SN4T3G | ![]() |
25 nA | 5 nA | 1 mV | 16 mA | 500 uA | 850 ns, 700 ns | SMD/SMT | TSOP-5 | 1 Channel | Y |
| TL331VSN4T3G | ![]() |
25 nA | 5 nA | 1 mV | 16 mA | 500 uA | 300 ns | SMD/SMT | TSOP-5 | 1 Channel | Y |
Publié le: 2024-07-30
| Mis à jour le: 2024-08-27

