onsemi Modules MOSFET de puissance automobile NXV10Vx 3 phases
Les modules MOSFET de puissance automobile 3 phases NXV10Vx d’Onsemi sont conçus pour une gestion de l’alimentation à haut rendement dans les applications automobiles. Ces modules onsemi sont particulièrement adaptés aux convertisseurs de traction des véhicules électriques (VE), aux chargeurs embarqués et aux convertisseurs CC-CC. Le dispositifs caractéristique low RDS(on) et courant élevé gérant capacités qui assurent une perte efficace conversion d’énergie et minimale énergie. De plus, la conception compacte et les performances thermiques supérieures rendent les modules NXV10Vx idéaux pour les environnements à espace restreint dans les systèmes automobiles modernes. Ces attributs contribuent à la fiabilité et à l’efficacité globales des systèmes d’alimentation automobile.Caractéristiques
- Modules MOSFET triphasés
- Substrat DBC isolé électriquement pour faible résistance thermique
- Détection de température
- Conception compacte pour une faible résistance totale du module
- Sérialisation du module pour une traçabilité complète
- Permet la conception de systèmes petits, efficaces et fiables pour réduire la consommation de carburant des véhicules et les émissions de CO2
- Assemblage de véhicule simplifié
- Permet une faible résistance thermique de la jonction au dissipateur thermique grâce à un montage direct via un matériau d’interface thermique entre le boîtier du module et le dissipateur thermique
- Boîtier APM21-CGA
- Qualifié AEC et AQG324 et compatible
- Sans plomb, conforme à la directive RoHS et conforme à la norme UL 94V-0
Applications
- Compresseur électrique 48 V et autres auxiliaires 48 V
- Convertisseurs d’entraînement pour véhicules électriques (VE)
- Chargeurs embarqués
- Convertisseurs CC-CC
Caractéristiques techniques
- Tension maximale drain-source de 100 V
- Tension maximale grille-source de ±20 V
- Énergie d'avalanche à simple impulsion de 587 mJ
- Fuite maximale de 250 µA
- Courant de fuite maximal drain-source de 5 µA
- Courant de fuite maximal grille-source de ±100 nA
- Plage de tension de seuil grille-source de 2 0 V à 4,5 V
- Capacité d’entrée standard de 6 970 pF
- Capacité de sortie standard de 3 950 pF
- Capacité de transfert inverse standard de 29 pF
- Résistance de grille standard de 0,4 Ω
- Charge de grille totale de 101 nC
- Charge grille-source standard de 34 nC
- Charge grille-drain standard de 19 nC
- Délai de passage à la fermeture typique de 46 ns
- Temps de montée typique de 26 ns
- Délai de passage à l’ouverture typique de 52 ns
- Temps de descente de 15 ns
- Température de jonction maximale de +175 °C
Fiche technique
- Module MOSFET de puissance automobile NXV10V125DT1
- Module MOSFET de puissance automobile NXV10V160ST1
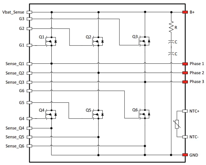
Schéma
Publié le: 2024-03-14
| Mis à jour le: 2025-03-25
