onsemi MOSFET SiC NXH0x0F120MNF1
Les MOSFET à base de SiC NXH0x0F120MNF1 onsemi sont des modules de puissance contenant un pont complet et une thermistance en boîtier F1. Ces MOSFET disposent de thermistances et de broches à insertion par pression. Les modules NXH0x0F120MNF1 fournissent à la fois un Matériau d’interface thermique (TIM) pré-appliqué et sans option de TIM pré-appliqué. Ces modules servent idéalement dans des onduleurs solaires, dans des alimentations électriques sans interruption, dans des stations de charge de véhicules électriques et dans des alimentations électriques industrielles. Les modules NXH0x0F120MNF1 sont sans plomb, sans halogénure et conformes à la directive RoHS. Ces modules sont fournis avec -40°°C à 150°°C de plage de température de stockage et une plage de température de jonction de fonctionnement de -40 °C à 175 °C.Caractéristiques
- Demi-pont MOSFET SiC 40 m/1 200 V (NXH040F120MNF1)
- Demi-pont MOSFET SiC 40 m/1 200 V (NXH020F120MNF1)
- Thermistance
- Broches à insertion par pression
- Options avec un matériau d'interface thermique (TIM) pré-appliqué et sans TIM pré-appliqué
- Ces dispositifs sont sans plomb, sans halogénure et sont conformes à la directive RoHS
Caractéristiques techniques
- Plage de température de stockage de -40 °C à +150 °C
- Température de jonction minimale en fonctionnement : –40 °C
- Température de jonction maximale en fonctionnement : +175 °C
- Température de jonction en fonctionnement du module : de -40 °C à +175 ºC
Applications
- Onduleur solaire
- Alimentations sans interruption (UPS)
- Stations de recharge de véhicules électriques
- Alimentation industrielle
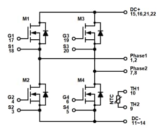
Schéma de principe
View Results ( 6 ) Page
| Numéro de pièce | Nom Mfr | Description | Fiche technique |
|---|---|---|---|
| NXH007F120M3F2PTHG | onsemi | Modules MOSFET 7M 1200V 40A M3S SIC FULL BRIDGE MODULE | ![]() |
| NXH011F120M3F2PTHG | onsemi | Modules MOSFET 11M 1200V 40A M3S SIC FULL BRIDGE MODULE | ![]() |
| NXH040F120MNF1PTG | onsemi | Modules MOSFET PIM F1 SIC FULL BRIDGE 1200V 40MOHM | ![]() |
| NXH020F120MNF1PTG | onsemi | Modules MOSFET PIM F1 SIC FULL BRIDGE 1200V 20MOHM | ![]() |
| NXH020F120MNF1PG | onsemi | Modules MOSFET PIM F1 SIC FULL BRIDGE 1200V 20MOHM | ![]() |
| NXH040F120MNF1PG | onsemi | Modules MOSFET PIM F1 SIC FULL BRIDGE 1200V 40MOHM | ![]() |
Publié le: 2022-04-07
| Mis à jour le: 2024-06-18

