onsemi Modules au carbure de silicium (SiC) NXH020U90MNF2
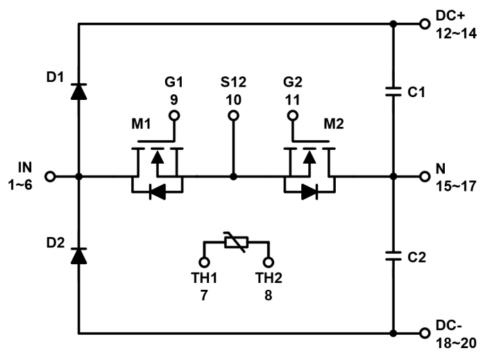
Les modules au carbure de silicium (SiC) onsemi NXH020U90MNF2 sont des modules Vienna au SiC à 2 commutateurs à MOSFET au SiC de 900 V et 10 mΩ. Ces dispositifs onsemi disposent également de 2 diodes de 100 A sous 1 200 V au SiC et d'une thermistance. Le NXH020U90MNF2 est logé dans un boîtier F2. Les commutateurs SiC MOSFET utilisent la technologie M2 et sont pilotés par une commande de grille de 15 V à 18 V.Caractéristiques
- Le point neutre est 10 mΩ, MOSFET SiC 900 V
- Les diodes de surtension sont des diodes SiC 100 A, 1 200 V
- Thermistance
- TIM pré-appliqué
- Broches à insertion par pression
- Les dispositifs sont sans Pb, sans halogénure et conformes à la directive RoHS.
Applications
- Stations de recharge de véhicules électriques
- Alimentations sans interruption (ASI)
- Systèmes de stockage d'énergie
Schéma de principe
Publié le: 2022-11-14
| Mis à jour le: 2024-06-18
