onsemi Modules de puissance EliteSiC NVXR22S90M2SPx
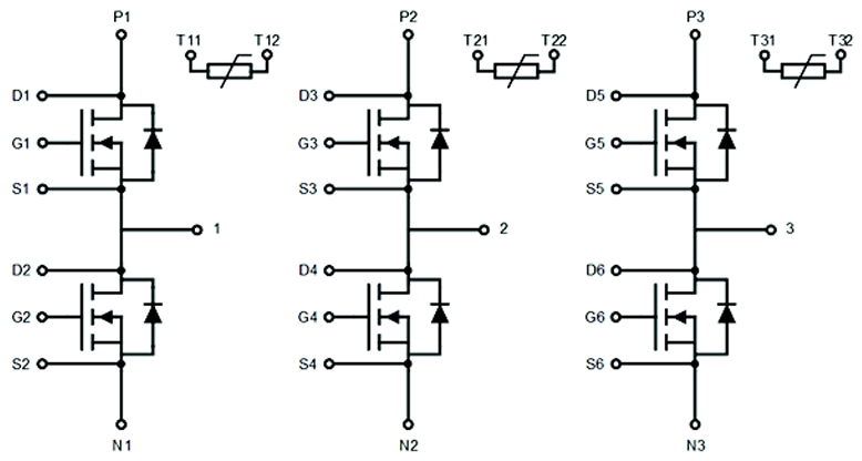
Les modules de puissance EliteSiC NVXR22S90M2SPx d'onsemi offrent des performances, un rendement et une densité de puissance améliorés dans un boîtier compact et compatible. Les modules NVXR22S90M2SPx d'onsemi disposent d’un MOSFET SiC 900 V dans une configuration à six paquets, avec des broches à insertion par pression pour un assemblage facile et une fiabilité améliorée. Ces composants comprennent un dissipateur thermique broche-fin optimisé sur la plaque de base et utilisent la technologie friteuse pour plus de fiabilité et d’efficacité thermique. Le module est conçu pour répondre à la norme automobile AQG324.Caractéristiques
- Refroidissement direct avec dissipateur thermique broche-ailettes intégré
- Isolateur au nitrure de silicium
- Tvj.Max = +175 °C pour un fonctionnement continu
- Technologies de puce MOSFET SiC de classe automobile
- Technologie de puce frittée pour des performances de haute fiabilité
- Topologie à 6 paquets facile à intégrer
- Module automobile conforme AQG324
- Sans plomb et conforme à la directive RoHS
Applications
- Convertisseur de sortie batterie CC vers moteurs de traction CA d’alimentation
- Convertisseurs CC-CC haute puissance
Description des broches
Publié le: 2024-02-05
| Mis à jour le: 2024-06-18
