onsemi MOSFET de puissance NVMYS9D3N06CL
Le MOSFET de puissance NVMYS9D3N06CL d'onsemi est un MOSFET monocanal N 60 V, 9,2 mΩ et 50 A construit avec une conception compacte et efficace pour de hautes performances thermiques. Ce MOSFET dispose d’une faible RDS (ON) pour minimiser les pertes de conduction, d’une charge de grille (QG) et d’une capacité faibles pour minimiser les pertes de pilote. Le MOSFET de puissance NVMYS9D3N06CL est homologué AEC-Q101 et est compatible PPAP. Ce MOSFET est adapté à la protection inverse de la batterie, aux commutateurs d’alimentation, aux alimentations à commutation et à d’autres applications automobiles nécessitant une fiabilité améliorée au niveau de la carte.Caractéristiques
- Faible encombrement (5 mm x 6 mm) pour une conception compacte
- Faible RDS (ON) pour minimiser les pertes de conduction
- Faibles QG et capacité pour minimiser les pertes de conduction
- Tension drain-source (VDSS) de 60 V
- Courant de drain continu (ID) de 50 A à tC = 25 °C
- Résistance à l’état passant drain-source (RDS (on)) de 9,2 mΩ
- Boîtier LFPAK4, à la norme industrielle
- Certifié AEC-Q101 et compatible PPAP
- Sans plomb et conforme à la directive RoHS
Applications
- Protection d'inversion de la batterie
- Commutateurs d’alimentation (comme les pilotes côté haut, les pilotes côté bas et le pont en H)
- Pilotes de solénoïdes
- Contrôle de moteur
- Commutateurs de charge
- Alimentations de commutation
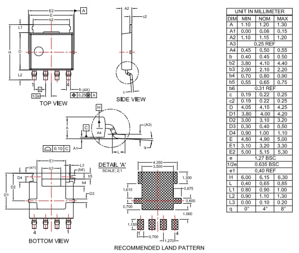
Dimensions du boîtier
Publié le: 2024-02-14
| Mis à jour le: 2024-02-28
