onsemi MOSFET de puissance NVMYS3D8N04CL
Le MOSFET de puissance NVMYS3D8N04CL d'onsemi est un MOSFET monocanal N conçu pour des conceptions compactes et efficaces avec des performances thermiques élevées. Ce MOSFET de puissance fonctionne à une tension drain-source de 40 V, une résistance de drain de 3,7 mΩ et un courant de drain continu de 87 A. Le MOSFET à canal N NVMYS3D8N04CL est homologué AEC-Q101, compatible PPAP et adapté aux applications automobiles qui nécessitent une fiabilité améliorée au niveau de la carte. Ce composant est sans plomb et conforme à la directive RoHS. Le NVMYS3D8N04CL est idéal pour les commutateurs d’alimentation de protection de batterie inverse, les alimentations à commutation, les pilotes de solénoïde, la commande de moteur et les commutateurs de charge.Caractéristiques
- Faible encombrement de 5 mm x 6 mm pour une conception compacte
- Faible RDS(on) pour minimiser les pertes de conduction
- Faibles QG et capacité pour minimiser les pertes de conduction
- Tension drain-source de 40 V DSS
- Résistance de drain de 3,7 mΩ
- Boîtier LFPAK4 au standard de l’industrie
- Homologué AEC-Q101 et compatible PPAP
- Le dispositif est sans plomb et conforme à la directive RoHS
Graphique de performance
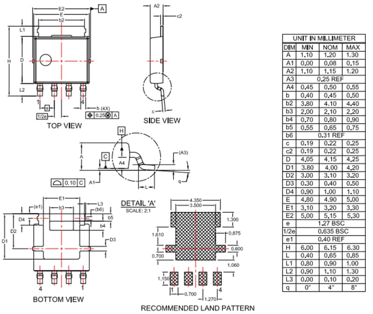
Dimensions
Publié le: 2024-02-22
| Mis à jour le: 2024-03-10
