onsemi Modules IGBT NVH640S75L4SPx
Les modules IGBT NVH640S75L4SPx d'onsemi sont des modules de puissance Field Stop 4 (FS4) automobile de la famille de modules de puissance hautement intégrés VE-Trac™ Direct. Ces modules fonctionnent aux 750 V et 640 A dans une configuration 6-pack de refroidissement direct sur un seul côté. Cela offre une densité de courant élevée tout en gardant une protection robuste contre les courts-circuits et une tension de blocage accrue. Les modules NVH640S75L4SPx disposent d’une inductance parasite ultra-faible, d’un fonctionnement continu de 175 °C, de technologies de puce à diode à récupération rapide et d’un substrat DBC isolé de 4,2 kV. Ces modules IGBT sont une topologie 6-pack facile à intégrer, sans plomb et conformes à la directive RoHS. Le module IGBT NVH640S75L4SPx est conforme à la classe d’inflammabilité UL 94 V-0. Ces modules IGBT conviennent aux onduleurs de traction de véhicules électriques et hybrides et aux convertisseurs haute puissance .Caractéristiques
- Refroidissement direct avec dissipateur thermique broche-ailette intégré
- Inductance parasite ultra-faible
- Fonctionnement continu à Tjmax = 175 °C
- Faibles pertes de commutation et VCESAT
- IGBT Mesa étroit FS4 750 V homologué AQG324
- Topologie 6-pack hautement intégrée
Applications
- Onduleurs de traction de véhicules électriques et hybrides
- Convertisseurs haute puissance
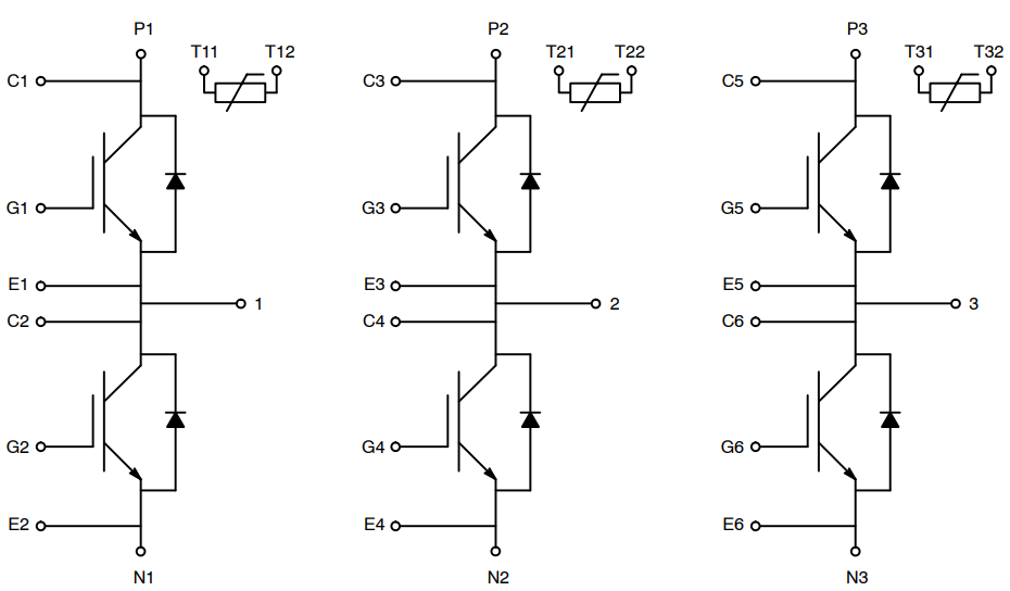
Description des broches
Fiches techniques
Publié le: 2024-02-21
| Mis à jour le: 2024-03-10
