onsemi Convertisseurs de niveau de tension NL3X5004
Les traducteurs de niveau de tension NL3X5004 d'Onsemi sont des traducteurs de niveau bidirectionnel à détection automatique à double alimentation configurables 4 bits 140 Mb/s, qui ne nécessitent pas de PINS de contrôle de direction. Les ports A et B sont conçus pour suivre deux rails d'alimentation électrique différents, VCCA et VCCB, respectivement, et sont configurables indépendamment de 0,9 V à 3,6 V. Ces composants comprennent une activation haute (EN) active et sont fournis avec une capacité de courant de sortie dynamique élevée, qui permet aux traducteurs de piloter des charges capacitives élevées. Le NL3X5004 dispose d’une protection DES pour toutes les broches avec un modèle du corps humain (HBM) 4 000 V. Ces traducteurs de niveau sont idéaux pour les téléphones mobiles, les systèmes d’info-divertissement et autres dispositifs.Caractéristiques
- Plage de fonctionnement VCCA et VCCB étendue de 0,9 V à 3,6 V
- VCCA et VCCB sont indépendantes lorsque VCCA peut être supérieure, égale ou inférieure à VCCB
- Capacité de pilotage capacitif élevée de 100 pF
- Haut débit de données garanti de 140 Mbps pour VCCA et VCCB > 1,8 V
- Faible déviation bit à bit
- Broches d’activation et d’E/S tolérantes aux surtensions
- Séquençage de mise sous tension non préférentiel
- Protection partielle de l’arrêt
- Options de boîtier UQFN-12, SOIC14, TSSOP14 et QFN-14
- - Suffixe Q pour l’automobile et d’autres applications nécessitant un site unique et des exigences de changement de contrôle
- Certifié AEC-Q100 et compatible PPAP
- Sans plomb, sans halogène, sans BFR et conforme à la directive RoHS
Applications
- Smartphones
- Panneaux d’instrumentation automobiles
- Modules de commande de carrosserie automobile
- Systèmes d’info-divertissement
- Industriel
- Automobile
- Télécommunications
- Appareils électroniques personnels
Circuit d'application standard
Schéma de fonctionnement (1 ligne E/S)
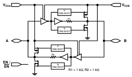
Schéma logique
Publié le: 2024-09-30
| Mis à jour le: 2025-02-04
