onsemi Doubles tampons à faible activation à 3 états NL27WZ125
onsemi NL27WZ125 3-State Low Enable Dual Buffers are MiniGate™ high-performance dual non-inverting buffers operating from a 1.65V to 5.5V supply. These devices provide near-zero static supply current, substantially reducing system power requirements. The onsemi NL27WZ125’s ability to operate in a 3-state configuration makes it particularly useful in applications where multiple devices share the same signal lines. The dual buffers are available in US8, UDFN8, and UQFN8 packages.Caractéristiques
- Conçus pour une exploitation de 1,65 à 5,5 V en tension continue VCC
- 2,4 ns tPD standard pourVCC = 5 V
- Tolérance aux surtensions d’entrées/sorties jusqu’à 5,5 V
- Circuit IOFF offrant une protection de mise hors tension partielle
- Source/dissipateur de 24 mA à 3,0 V
- Performances de verrouillage de ±100 mA
- Plage de température de fonctionnement de -55 °C à +125 °C
- Disponible en boîtiers US8, UDFN8 et UQFN8
- Complexité de la puce à <100 FET
- Le courant d’alimentation statique quasi nul réduit considérablement les exigences de puissance du système
- L’entrée OE 3 états est active basse
- Niveau de sensibilité à l'humidité (MSL) 1
- Indice d'inflammabilité UL 94 V-0
- Suffixe -Q pour l’automobile et d’autres applications nécessitant un site unique et des exigences de changement de contrôle, certifié AEC-Q100 et compatible PPAP
- Sans plomb, sans halogène/RFB et conforme à la directive RoHS
Applications
- Pilotes de bus
- Isolation des données
- Tampon de signal
- Logique de contrôle
- Décalage de niveau
- Applications de sortance
- Applications de mémoire
- Interfaces de microcontrôleur
- Pilotes LED
Symbole logique
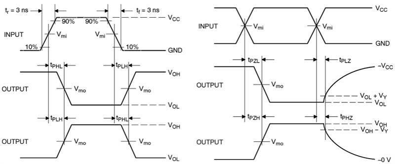
Signaux de commutation
Publié le: 2024-10-25
| Mis à jour le: 2024-12-09
