onsemi Module de puissance intelligent (IPM) NFAM3512L7B
Le module de puissance intelligent (IPM) NFAM3512L7B d'onsemi fournit un étage inverseur en sortie à hautes performances complet pour les moteurs à induction CA, BLDC et PMS . Ce module intègre un pilote de grille optimisé (des IGBT intégrés ) pour minimiser les EMI et les pertes tout en fournissant plusieurs caractéristiques de protection sur modul , notamment les verrouillages en sous-tension, l’arrêt en surintensité, la surveillance thermique du CI pilote et le signalement des défaillances. Un HVIC haut débit intégré nécessite une seule tension d’alimentation et transfère les entrées de grille de niveau logique entrantes vers les signaux à haute tension et courant élevé requis pour piloter correctement les IGBT internes du module. Des bornes IGBT négatives séparées sont disponibles pour chaque phase pour prendre en charge divers algorithmes de commande.Caractéristiques
- Onduleur IGBT FS7 triphasé, 35 A, 1200 V, comprenant des CI de contrôle pour le pilote de grille et les protections
- Résistance thermique très faible grâce au substrat Al2O3 DBC
- Interface logique active
- Protection contre les sous-tensions (UVP) intégrée
- Diodes/résistances d’amorçage intégrées
- Connexions d’émetteur IGBT côté bas séparées pour la détection de courant individuelle de chaque phase
- Capteur de température (sortie TSU par LVIC)
- Boîtier DIP39, 31,0 mm x 54,5 mm
- Certification E209204 UL
- Sans plomb
Applications
- Entraînements industriels
- Pompes industrielles
- Ventilateurs industriels
- Automatisation industrielle
Caractéristiques techniques
- Tension d’alimentation standard de 600 V
- Plage de tension d'alimentation de contrôle de 13,5 V à 16,5 V
- Plage de tension de polarisation côté haut de 13,0 V à 18,5 V
- Variation d'alimentation de contrôle ±1 V/µs
- Temps d’effacement minimum de 2,0° pour éviter les courts-circuits des bras
- Plage de signal d’entrée MLI de 2,0 kHz à 20 kHz
- Plage de courant admissible de 18,2 ARMS à 27,5 ARMS
- Largeur d’impulsion d’entrée minimale de 1,0 µs à 2,0°
- Couple de montage du boîtier de 0,6 Nm à 0,9 Nm, vis de type M3
- Plage de température de jonction de fonctionnement : de -40 °C à +150 °C
- Convertisseur
- Courant de fuite du collecteur-émetteur maximal de 1 mA à 10 mA
- Tension de saturation du collecteur-émetteur standard de 1,6 V à 1,9 V
- Tension directe standard de 1,7 V à 1,8 V
- Plage de temps de commutation côté haut de 0,17 µs à 1,60 µs
- Plage de temps de commutation côté bas de 0,22 µs à 1,70 µs
- Bootstrap
- Courant direct de la diode de 2,1 V à 2,9 V
- Résistance de limitation intégrée de 12,5 Ω à 18,5 Ω
- Contrôle
- Courant d’alimentation VDD maximal
- Courant de repos de 0,3 mA à 2,0 mA
- Fonctionnement de 0.4mA à 5.0mA
- Courant d’alimentation VBS maximal
- Courant de repos de 0,3 mA
- Fonctionnement à 3,5 mA
- Tension de seuil en marche maximale de 2,6 V
- Tension de seuil d’arrêt minimale de 0,8 V
- Niveau de déclenchement de surintensité de 0,46 V à 0,50 V
- Protection contre les sous-tensions du circuit d’alimentation
- Niveau de détection de 10,0 V à 12,5 V
- Niveau de réinitialisation de 10,5 V à 13,0 V
- Sortie de tension de 1,12 mV à 1,38 mV pour unité de détection de température LVIC
- Tension de sortie de défaillance de 0,95 V à 4,9 V
- Largeur d’impulsion de sortie de défaillance standard de 2,4 ms
- Courant d’alimentation VDD maximal
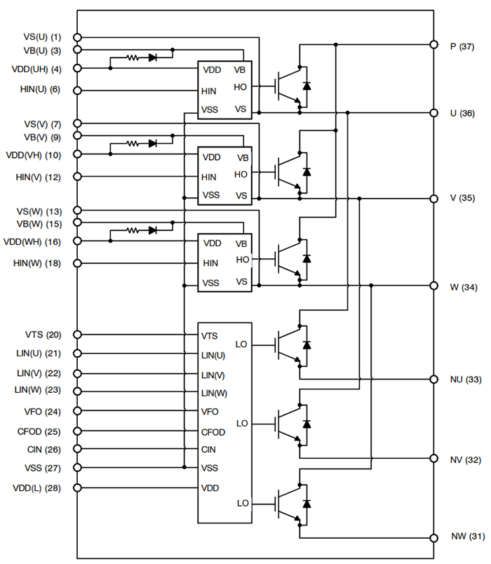
Schéma de principe interne
Ressources supplémentaires
Publié le: 2023-12-18
| Mis à jour le: 2025-06-16
