onsemi Modules d’alimentation intelligents NFA3x512L72
Les modules d’alimentation intelligents (IPM) NFA3x12L72 d’onsemi sont des modules avancés qui fournissent un étage inverseur en sortie totalement équipé à hautes performances pour les moteurs à induction CA, BLDC et PMSM. Ces modules intègrent des pilotes de grille optimisés des IGBT intégrés pour minimiser les EMI et les pertes tout en fournissant plusieurs protections sur le module. Les modules NFA3x12L72 comprennent une détection de température LVIC intégrée pour la surveillance de température. Ces caractéristiques de protection comprennent les verrouillages en sous-tension (UVLO), l’arrêt en cas de surintensité, la surveillance thermique du CI pilote et le signalement des défauts. Les modules NFA3x12L72 disposent d’une isolation nominale de 2 500 Vrms/1 min, d’une tension collecteur-émetteur de 1 200 V et de 25 A pour chaque courant collecteur IGBT. Les applications typiques incluent les HVAC, les pompes à chaleur, les climatiseurs commerciaux, les VFD, les servomoteurs, la robotique, les moteurs à fréquence variable et l’automatisation industrielle.Caractéristiques
- Convertisseur IGBT FS7 triphasé 1200 V/15 A avec protections et commandes de grille intégrés
- Protection contre les sous-tensions (UVP) intégrée
- Broches d’émetteur ouvert séparées des IGBT côté bas pour une détection de courant triphasée
- Détection de température LVIC intégrée pour la surveillance de la température
- Isolation nominale de 2 500 Vrms/1 min
- Sans Pb
- Conforme à la directive RoHS
Applications
- HVAC
- Pompes à chaleur
- Climatiseurs commerciaux
- Pompes et ventilateurs industriels
- VFD
- Servomoteurs
- Robotique
- Entraînements à fréquence variable
- Automatisation industrielle
Schéma de principe interne
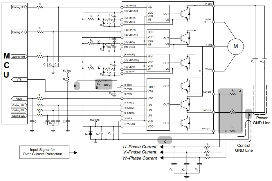
Schéma du circuit d’application standard
Publié le: 2024-07-26
| Mis à jour le: 2024-08-22
