onsemi Contrôleur Buck synchrone multiphasé NCV81277A
Le contrôleur Buck synchrone multiphasé automobile NCV81277A d'onsemi est optimisé pour les processeurs graphiques et informatiques nouvelle génération. Capable de piloter jusqu’à quatre phases, le NCV81277A intègre une détection de courant de phase/tension différentielle, un positionnement adaptatif de la tension et une interface PWM_VID pour fournir une alimentation régulée avec précision pour les ordinateurs ou les contrôleurs graphiques. Une interface d’économie d’énergie (PSI) intégrée permet aux processeurs de régler le contrôleur dans l’un des trois modes (toutes les phases en marche, déphasage dynamique ou mode fixe à faible nombre de phases) pour obtenir un haut rendement dans des conditions de faible charge. L’architecture multiphasée PWM à double front assure des réponses transitoires rapides et un bon équilibre dynamique du courant.Caractéristiques
- Conforme aux spécifications OVR4 + NVIDIA®
- Prend en charge jusqu’à 4 phases
- Sortie « power good »
- Protection contre les sous-tensions (UVP)
- Protection contre les surtensions (OVP)
- Protection contre les surintensités (OCP)
- Protection contre les surintensités par phase
- Démarrage en charges préchargées tout en évitant les fausses OVP
- Positionnement adaptatif de tension configurable (AVP)
- Amplificateur opérationnel d'erreur haute performance
- Amplificateurs de détection d’équilibrage de courant différentiel véritable pour chaque phase
- Équilibrage du courant dynamique phase-à-phase
- Modulation à double front en mode courant pour une réponse initiale rapide à la charge transitoire
- Interface d’économie d’énergie (PSI)
- Délestage automatique de phase avec seuils réglables par l’utilisateur
- Interface de contrôle PWM_VID et I2C
- Boîtier compact de 40 broches QFN mouillable latéralement
- Niveau de sensibilité à l'humidité (MSL) 1
- Approuvé AEC-Q100 classe 2
- Sans plomb, sans halogène/sans RFB et conforme à la directive RoHS
Applications
- Automobile
- Alimentation GPU et CPU
Caractéristiques techniques
- VRMP
- Plage de tension d’alimentation de 4,5 V à 20 V
- Plage UVLO de 3 V à 4,2 V
- Hystérésis UVLO standard 800 mV
- Alimentation de polarisation
- Plage de tension d’alimentation de 4,6 V à 5,4 V
- Courant de repos VCC
- Activation faible à 40 µA maximum
- pour un fonctionnement standard de 32 mA
- pour un fonctionnement DCM 1-phase standard de 10 mA
- Plage de seuil UVLO de 4 V à 4,5 V
- Hystérésis UVLO standard de 200 mV
- Fréquence de commutation
- Plage (4x phase) de 250 kHz à 1,2 MHz
- précision de ±4 % à 810 kHz et de ±10 % dans toutes les plages
- Entrée d’activation
- Fuite d’entrée ±1,0 µA
- Plage de seuil de 0,6 V à 1,2 V
- DRON
- Plage de tension de sortie de 0,1 V à 3,0 V
- Temps de montée standard 160 ns
- Temps de descente standard 3 ns
- Résistance interne
- Élévation standard 2,0 kΩ
- Abaisseur standard 70 kΩ
- PGOOD
- basse tension de sortie maximale 0,4 V
- Courant de fuite maximal 0,2 µA
- Temps d’initialisation de la tension de sortie maximal 1,5 ms
- Plage de temps de rampe de tension de sortie standard de 0,15 ms à 10 ms
- Protections
- Seuil UVP de 250 mV à 350 mV, délai standard 5 µs
- Seuil OVP 360 mV à 430 mV, délai standard 5µs
- Protection 9,5 µA contre les surintensités (ILIM) à 10,5 µA
- Sorties PWM
- Temps de montée/descente 10 ns
- Fuite de sortie à trois états ±1,0 µA
- Temps d’allumage minimum (standard) 12 ns
- Cycle de service 0 % standard 1,3 V
- Cycle de service 100 % standard 2,5 V
- Erreur d’angle de phase PWM ±15 °
- Minuteur de détection de phase standard de1,1 ms
- Amplificateur d'erreur
- Plage de courant de polarisation d’entrée ±400nA
- Gain en boucle ouverte standard 80 dB
- Bande passante de gain unitaire en boucle ouverte standard 20 MHz
- Vitesse de balayage standard 5 V/s
- Plage de tension de sortie de 1 V à 3,5 V
- Amplificateur de sommation différentielle
- Plage de courant de polarisation d’entrée ±400nA
- Plage d’entrée VSP de 0 V à 2 V
- Entrée VSN ±0,3 V
- Bande passante −3 dB standard 27 MHz
- Gain CC en boucle fermée standard 1 V/V
- Précision de chute de 78 mV à 82 mV
- Plage de tension de sortie de 0,8 V à 3 V
- amplificateur de Détection de courant
- Tension résiduelle ±500 µV
- Courant de polarisation d’entrée ±7,5 µA
- Gain en boucle ouverte standard 80 dB
- Bande passante de gain unitaire à détection de courant standard 10 MHz
- Plage de tension de sortie CSCOMP de 0,1 V à 3,5 V
- Amplificateur d’équilibrage de courant
- Courant de polarisation d’entrée±50nA
- Plage de tension d'entrée en mode commun de 0 V à 2 V
- Plage de tension d’entrée en mode différentiel ±100 mV
- Correspondance de tension de décalage d’entrée en boucle fermée ±1,5 mV
- Gain de l’amplificateur de détection de courant minimum : 5,7 V/V ; standard 6,0 V/V
- Correspondance de gain de détection de courant multiphasé ±3 %
- Bande passante -3 dB standard 8 MHz
- IOUT
- Tension de décalage de référence d’entrée ±3 mV
- Courant de sortie maximal (standard) 200 µA
- Plage de gain de courant de 9.5A/A à 10.5A/A
- Tension de référence
- Plage de 1,98 V à 2,02 V
- Précision standard de 1 %
- Réf.
- Plage de seuil de 0,575 V à 1,45 V
- Courant de fuite d’entrée ±1 µA
- Tampon PWM_VID
- Plage de seuil de 0,575 V à 1,21 V
- Fréquence de commutation de 400 kHz à 5000 kHz
- Temps de montée/descente de sortie standard 3 ns
- Délai de front montant/descendant standard 0,5 ns
- Délai de propagation standard 8 ns
- Erreur de délai de propagation standard 0,5 ns
- Résistance en marche du commutateur de décharge REFIN standard 10 Ω
- I2C
- Plage de tension d’entrée de 0,5 V à 1,7 V
- Hystérésis standard 80 mV
- Sortie basse tension 0,4 V (maximum)
- Courant d’entrée ±1 µA
- Capacité d’entrée standard 5 pF
- Fréquence horloge 400 kHz
- Durée minimale de configuration/maintien de la condition de démarrage 600 ns
- Durée minimale de configuration des données 100 ns
- Durée de conservation minimale des données 300 ns
- Temps de configuration de l’état d’arrêt 600 ns
- Plage de température de fonctionnement de -40 °C à +105 °C
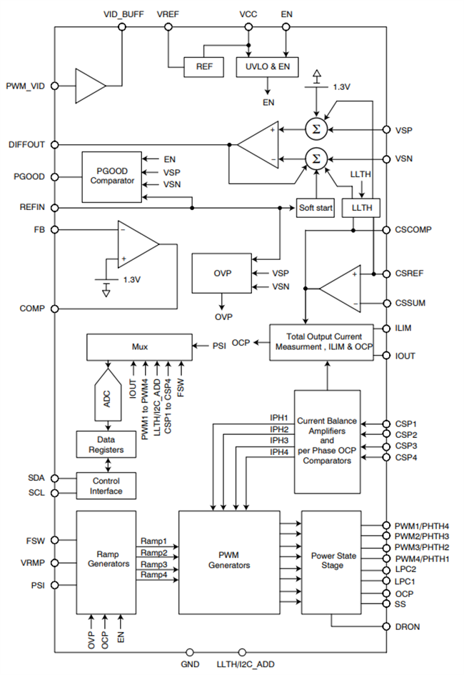
Schéma fonctionnel
Publié le: 2023-08-11
| Mis à jour le: 2023-10-25
