onsemi Contrôleur de pixel mono-puce NCV78343

onsemi NCV78343 Single-Chip Pixel Controller for automotive (front) lighting is a single-chip pixel controller with embedded switches to control individual LEDs in a series LED string. The onsemi NCV78343 is designed for automotive dynamic lighting applications, specifically high-current LEDs. In order to create a pixel lighting solution, the LEDs need to be powered by current sources such as the NCV78763 or NCV78723 LED Drivers. The NCV78343 pixel controller devices receive the pixel control parameters from the pixel light ECU which translates the required light pattern or light image into individual pixel dimming data.

Un dispositif de contrôle de pixel peut contrôler jusqu’à 12 pixels de LED 1 × ou 2 × 1,4 A par pixel. La tension maximale de la chaîne LED doit être limitée à 60 V. Lorsque plus de 12 pixels doivent être contrôlés, plusieurs contrôleurs de pixel peuvent être combinés dans un seul système.

Le NCV78343 d'onsemi utilise deux interfaces de communication pour se connecter à un microcontrôleur (MCU). Un émetteur-récepteur asynchrone universel (UART) prend en charge l’émetteur-récepteur CAN et la signalisation différentielle basse tension multipoint (M-LVDS) pour une connexion locale ou une connexion avec le MCU.

Caractéristiques

  • Certifié AEC-Q100 et compatible PPAP
  • Compatible à une seule puce avec la carte IMS (simple couche)
  • 12 commutateurs intégrés avec plusieurs options de configuration
  • Nombre minimal de composants externes
  • Interfaces de communication avec l’ECU de l'éclairage pixel via :
    • M-LVDS intégré
    • Interface UART sur CAN
    • Pont intégré entre M-LVDS et UART
    • Prend en charge jusqu’à 32 appareils, 1 Mbaud
  • Pas besoin d’un MCU local et d’une horloge précise
    • Interface avec EEPROM I2C externe
    • Convertisseur analogique-numérique (CAN) 8 bits intégré
  • Contrôleur de gradation, unité de décalage de phase PWM + par canal
  • Protection contre les surchauffes
  • Rétroaction de diagnostic LED ouverte/court-circuit/OV individuelle
  • Dérivation automatique de défaillance LED ouverte
  • Boîtier EP SSOP36
  • Dispositif sans plomb

Applications

  • Fonctions de faisceau de route adaptatives dynamiques
    • Faisceaux hauts sans éblouissement
    • Oscillation statique
    • Forme du faisceau
    • Réglage de la puissance légère
  • Fonctions de bienvenue animées sur les voyants lumineux
  • Nettoyage des clignotants

Caractéristiques techniques

  • Plage de tension d’alimentation par batterie de 4,5 V à 40 V
  • Plage de tension différentielle de commutation de 0 V à 10 V
  • Plage de tension de chaîne de LED de 0 V à 60 V
  • Courant de sortie de commutateur buck maximal de 1,4 A
  • Plage de vitesse de communication PXN de 125 kbit à 1 000 kbit
  • Plage de température ambiante de -40 °C à +125 °C
  • Résistance thermique jonction à pastille exposée standard de 3,5 °C/W
  • Valeurs ESD
    • Modèle de corps humain (HBM) ±2 kV
    • Modèle d'appareil de charge (CDM) ±500 V

Schéma d'application

Schéma du circuit d'application - onsemi Contrôleur de pixel mono-puce NCV78343

Schéma fonctionnel

Schéma de principe - onsemi Contrôleur de pixel mono-puce NCV78343

Architectures de systèmes

Le NCV78343 prend en charge deux interfaces de communication : UART et M-LVDS. Les deux interfaces peuvent être utilisées pour communiquer. Le premier exemple utilise l’interface UART sur la couche physique CAN comme bus maître depuis le module du pilote LED jusqu’à la première puce NCV78343 et le bus M-LVDS pour une connexion locale entre les sous-modules de chaque lumière fonctionnelle, comme le faisceau élevé, le faisceau faible, l’indicateur de virage, etc. Le second exemple utilise uniquement le bus M-LVDS.

Utilisation de CAN-FD et M-LVDS

Circuit de localisation - onsemi Contrôleur de pixel mono-puce NCV78343

Utilisation de M-LVDS uniquement

Circuit de localisation - onsemi Contrôleur de pixel mono-puce NCV78343

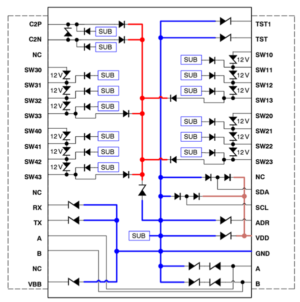
Schéma de protection DES

Schéma - onsemi Contrôleur de pixel mono-puce NCV78343
Publié le: 2024-10-22 | Mis à jour le: 2024-11-07