onsemi Pilote octal côté haut NCV7755
Le pilote octal côté haut NCV7755 d'onsemi est un pilote intégré de qualité automobile offrant huit commutateurs côté haut. Le NCV7755 permet une capacité de pilotage jusqu’à 700 mA par canal et est protégé contre les conditions de surcharge et de surchauffe. Chaque canal dispose de clamps de sortie intégrées conçues pour la commutation des charges inductives et de plusieurs impulsions de démarrage pour les ampoules. En outre, les clamps peuvent être cartographiées à deux générateurs MLI internes pour les charges de LED. Le dispositif met en œuvre un SPI pour le contrôle de sortie et le rapport de diagnostic. De plus, les broches INx peuvent être mappées à n’importe quelle sortie pour un contrôle direct. Le mode dégradé dédié permet le contrôle opérationnel de deux pilotes côté haut via des broches d’entrée logique.Pour des performances thermiques optimales, le NCV7755 d'onsemi est logé dans un boîtier SSOP-24 à pastille exposée.
Caractéristiques
- 8 canaux côté haut
- Pour relais (calage Flyback)
- Ampoules (schéma d’appel à impulsions multiples)
- LED (générateur MLI interne)
- courant de crête 2,3 A (maximum)
- RDS (on) 0,9 Ω (standard), 1,8 Ω (maximum)
- La mise en parallèle de deux paires de sortie est autorisée
- Contrôle SPI (16 bits)
- Détection d'erreur de trame (16 bits + 8 n bits)
- Possibilité de disposition en chaîne
- Deux broches d’entrée avec mappage pour le fonctionnement PWM
- Faible courant de repos en mode veille
- Mode dégradé avec relance automatique
- Prend en charge une tension de démarrage minimale de 3 V sur VS
- Plage d’alimentation d’entrée numérique compatible 3,3 V et 5 V
- Signalement des défaillances
- Charge ouverte (arrêt ou marche)
- Surcharge
- Surchauffe
- Panne d'alimentation électrique (VS, sous-tension VDD)
- Court-circuit de sortie vers GND et batterie
- Protection contre les inversions de polarité
- Perte de protection à la terre
- Réinitialisation à la mise sous tension (VDD)
- SSOP-24 à pastille exposée
- Préfixe NCV pour l'automobile
- Contrôle de site et de changement
- Homologué AEC−Q100
Applications
- Unités de contrôle de carrosserie automobile
- Unités de contrôle de moteur automobile
- Entraînements de relais
- Entraînements d’ampoules
- Pilotes LED
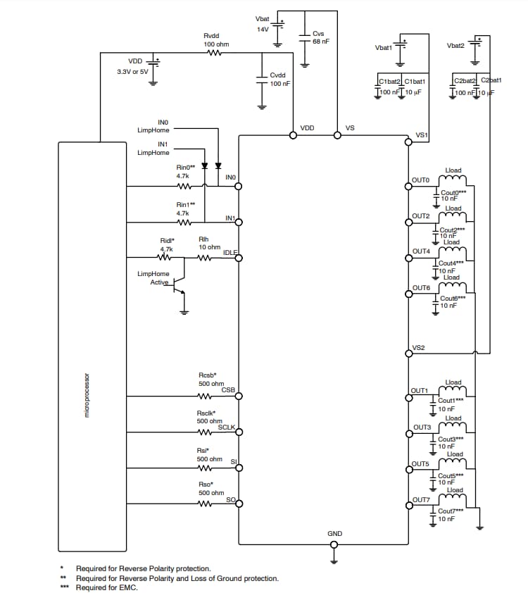
Schéma d'application
Schéma fonctionnel
Publié le: 2023-01-30
| Mis à jour le: 2023-08-08
