onsemi Pilote demi-pont 10 canaux NCV7725B
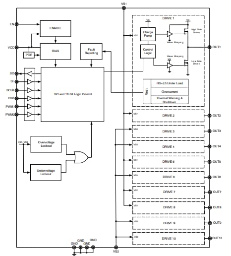
Le pilote demi-pont 10 canaux NCV7725B d'Onsemi possède des caractéristiques de protection conçues spécifiquement pour les applications automobiles et industrielles de contrôle de mouvement. Ce pilote dispose de commandes et de diagnostics indépendants et peut fonctionner en position de marche avant ou arrière, de freinage et de haute impédance. Le pilote demi-pont NCV7725B d'Onsemi est compatible avec la connexion en guirlande (daisy-chain) et est contrôlé via une interface SPI 16 bits. Les sorties 1 et 2 du pilote peuvent être contrôlées via un signal MLI externe. Ce pilote offre également un mode veille à faible courant de repos, une protection deroue libre intégrée (LS et HS), une coupure en cas de sous-tension et de surtension, une protection contre les surintensités et une protection contre la surchauffe. Le pilote NCV7725B est parfaitement adapté aux secteurs automobile et industriel ainsi qu'à la gestion de moteurs à CC pour les applications HVAC.Caractéristiques
- mode veille à faible courant de repos
- Pilotes côté haut et côté bas connectés en configurations demi-pont
- Protection de roue libre intégrée (LS et HS)
- Courant standard de 500 mA
- Courant de crête de 1,1 A
- RDS(on) standard de 0,8 Ω
- Contrôle PWM externe de sortie 1 et 2
- Communication SPI de 5 MHz
- Détection d'erreur de trame 16 bits
- Chaîne en guirlande compatible avec plusieurs dispositifs 8 bits
- Conforme aux systèmes 3,3 V et 5 V
- Verrouillage de sous-tension et de surtension
- Rapport de défaillance par canal
- Protection contre les surintensités
- Protection contre les surchauffes
- Détection de sous-charge (HS et LS)
- Boîtier à pastille exposée
- Préfixe NCV pour l'automobile et d'autres applications nécessitant un site unique et des changements de contrôle
- Qualifié AEC-Q100
- Compatible PHPP
- Composant sans plomb
Applications
- Automobile
- Industrie
- Gestion de moteurs à CC pour les applications HVAC
Schéma fonctionnel
Circuit d'application standard
Publié le: 2020-05-20
| Mis à jour le: 2024-06-06
