onsemi Pilote demi-pont 6 canaux NCV7723B
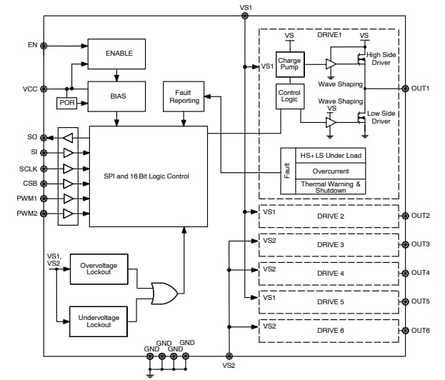
Le pilote demi-pont à 6 canaux NCV7723B Onsemi comprend des caractéristiques de protection conçues spécifiquement pour les applications de contrôle de mouvement automobile et industriel. Ce pilote dispose de commandes et de diagnostics indépendants et peut être utilisé en position de marche avant, arrière, de freinage et en haute impédance. Le pilote demi-pont NCV7723B Onsemi est contrôlé via une interface SPI de 16 bits et est compatible avec la chaîne en guirlande. Ce pilote offre un mode veille à faible courant de repos, un verrouillage de sous-tension et de surtension, une protection de roue libre intégrée (LS et HS), une protection contre les surintensités et la surchauffe. Le pilote demi-pont NCV7723B est idéal pour une utilisation dans la gestion automobile, industrielle et moteur à CC pour les applications HVAC.Caractéristiques
- Mode veille à faible courant de repos
- Pilotes côté haut et côté bas connectés en configurations demi-pont
- Protection de roue libre intégrée (LS et HS)
- Courant standard de 500 mA et courant de crête de 1,1 A
- RDS(on) = 0,8 Ω (standard)
- Contrôle PWM externe de sortie 1 et 2
- Communication SPI de 5 MHz
- Détection d'erreur de trame de 16 bits
- Chaîne en guirlande compatible avec plusieurs dispositifs de 8 bits
- Conforme avec les systèmes de 3,3 V et 5 V
- Verrouillage de sous-tension et de surtension
- Rapport de défaillance par canal
- Protection contre les surintensités
- Protection contre les surchauffes
- Détection de sous-charge (HS et LS)
- Boîtier à pastille exposée
- Préfixe NCV pour l'automobile et d'autres applications nécessitant un site unique et des changements de contrôle
- Qualifié AEC-Q100
- Compatible PHPP
- Composant sans plomb
Applications
- Automobile
- Industrie
- Gestion de moteur à CC pour application HVAC
Schéma fonctionnel
Schéma du circuit d'application
Publié le: 2020-05-22
| Mis à jour le: 2024-05-22
