onsemi NCV7718B/C Hex Half-Bridge Driver
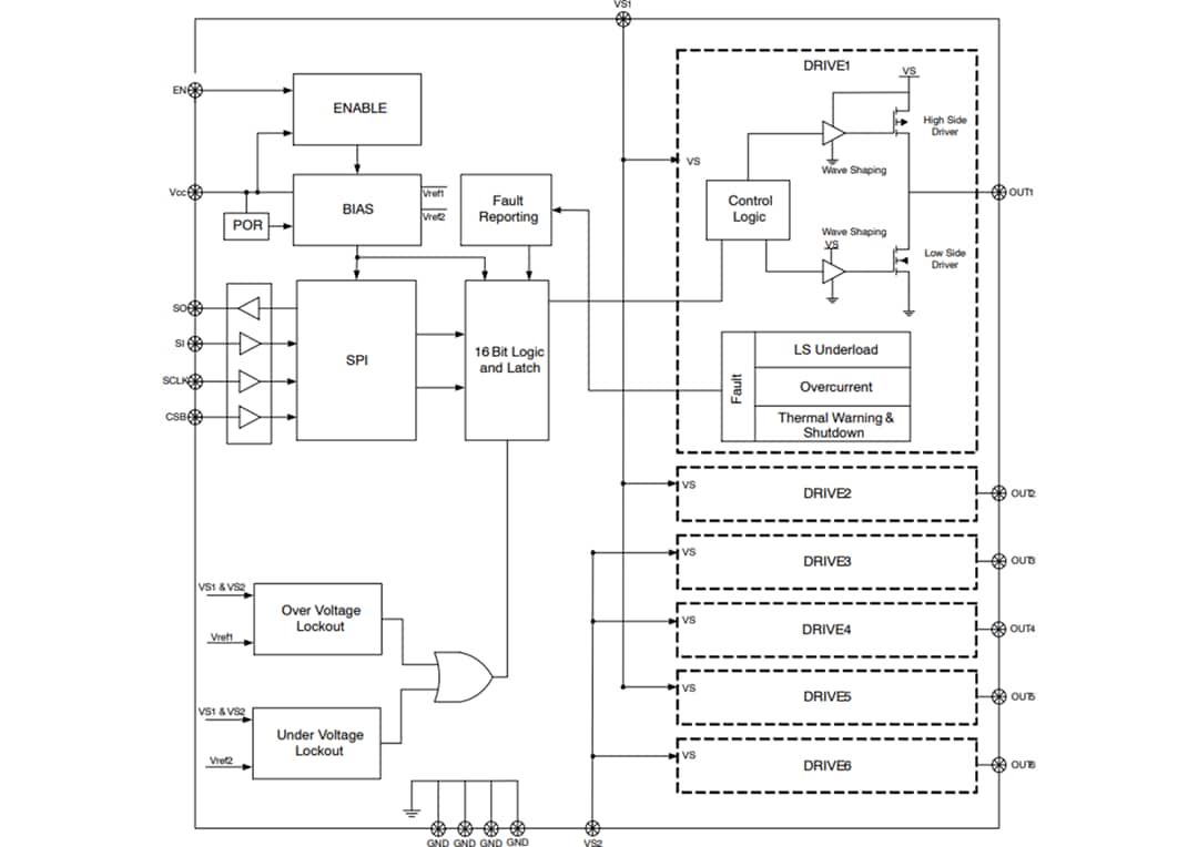
onsemi NCV7718B/C Hex Half-Bridge Driver comprises twelve DMOS power drivers, configured as six Half-Bridges, enabling three independent Full-Bridge operations. Each output drive offers a maximum 550mA DC load and a 2A surge capability. The NCV7718B/C provides protection features designed specifically for automotive and industrial motion control applications. The NCV7718B/C has independent controls and diagnostics. This device can operate in forward, reverse, brake, and high impedance states. The drivers are controlled via a 5MHz 16-bit SPI interface and are daisy-chain compatible.The NCV7718B/C Hex Half-Bridge Driver is offered in a 24-lead Shrink Small Outline Package (SSOP) in standard and exposed pad variants. This device is AEC-Q100 qualified and PPAP-capable for use in automotive applications.
Features
- Low quiescent current sleep mode
- High-side and low-side drivers connected in a half-bridge configuration
- Integrated low-side and high-side freewheeling protection
- 0.55A peak current
- 1Ω typical RDS(on)
- 5MHz SPI control
- Compliance with 3.3V and 5.0V systems
- Undervoltage and overvoltage lockout
- Discriminated fault reporting
- Overcurrent protection
- Overtemperature protection
- Under Load Detection (LS)
- Daisy chain compatible with multiples of 8-bit devices
- 16-bit frame detection
- Available SSOP-24 package options
- Exposed pad package for NCV7718B and NCV7718C
- Standard package for NCV7718C
- AEC-Q100 qualified and PPAP capable
- Pb-free
Applications
- Automotive
- Industrial
- DC motor management for HVAC applications
Block Diagram
Typical Application Circuit
Publié le: 2019-09-03
| Mis à jour le: 2024-02-28
