onsemi Capteur de conditionnement de signal NCV76124
Le capteur de conditionnement de signal NCV76124 d’Onsemi est une puce d’interface conçue pour la détection de la pluie et de la lumière dans les applications automobiles. Le capteur mesure les courants de la photodiode qui caractérisent les signaux de pluie et de lumière et communique les signaux convertis à un microcontrôleur maître sur demande via l’interface SPI (Serial Peripheral Interface). Les données de mesure de la pluie peuvent être utilisées pour contrôler les essuie-glaces. Pendant ce temps, les signaux d’intensité lumineuse sont mis en œuvre pour contrôler la luminosité des écrans, des projecteurs et d’autres objets. La programmabilité SPI permet à une seule configuration matérielle de prendre en charge diverses applications.Avec un contrôle SPI facile, le capteur de conditionnement de signal onsemi NCV76124 nécessite un minimum de ressources logicielles. Il fournit plus de canaux de capteur avec une portée dynamique élevée, concevant ainsi une solution performante et sûre pour les véhicules modernes.
Caractéristiques
- Conversion du courant des photodiodes des capteurs de pluie et de lumière en tension via un amplificateur de transimpédance à gain programmable (TIA)
- Amplitude contrôlée à courant d’impulsion pour deux LED externes
- Mesure périodique de quatre (optionnellement cinq) signaux de capteur de lumière
- Mesure périodique de deux (optionnellement un) signaux de capteur de pluie avec circuiterie d’annulation de la lumière ambiante
- Mesure de la lumière ambiante des canaux de pluie
- Mesure de la température de la puce
- Fonction de réinitialisation et de surveillance lors de la mise sous tension
- Mode veille et sommeil avec consommation de courant faible
- Oscillateur sur puce pour l’horloge du système
- Interface SPI
- Circuiterie de diagnostic selon la norme ASIL-B
- Les canaux de pluie sont conformes à la norme ASIL-A
- Préfixe NCV pour les applications automobiles et autres applications nécessitant des exigences de changement de contrôle et de site uniques ; certifiés AEC-Q100 et compatible PHPP
- Sans Pb et conforme à la directive RoHS
Applications
- Capteur de pluie pour essuie-glaces
- Capteur de lumière ambiante
- Éclairage avant
- Affichage tête haute
Schéma d'application standard
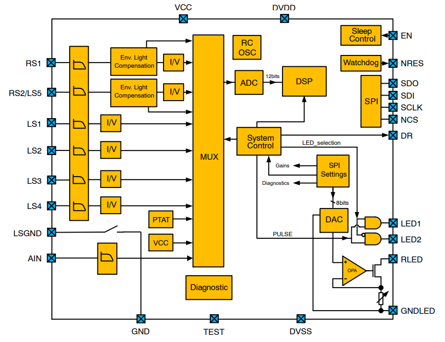
Schéma fonctionnel
Publié le: 2025-04-22
| Mis à jour le: 2025-04-29
