onsemi CI d'interface CAN NCV7390
Le CI d'interface CAN NCV7390 d'Onsemi est conçu pour les systèmes conformes à la norme internationale standard ISO11992-1. Ce CI émetteur-récepteur fournit une connexion point à point pour l'échange de données série entre le véhicule tracteur et le véhicule tracté ou d'autres applications automobiles similaires. L'émetteur-récepteur NCV7390 est l' interface entre un contrôleur de protocole CAN (Controller Area Network) et le bus physique. Ce dispositif offre une capacité de transmission différentielle mais permet la commutation en cas d'erreur vers un émetteur et/ou un récepteur à un seul fil. Le CI d'interface NCV7390 convient aux applications de systèmes de batterie 12 V et 24 V. Ce CI d'interface CAN présente une faible émission électromagnétique (EME) et une susceptibilité électromagnétique élevée, une robustesse au décalage de mise à la terre et une protection thermique. Le CI d'interface NCV7390 est certifiéAEC-Q100, compatible PHPP et sans Pb. Ce CI est bien adapté aux réseaux embarqués, à l'automobile et à l'interface entre les camions et les remorques.Caractéristiques
- Conçu pour les systèmes conformes à la norme internationale ISO 11992-1
- Adapté à la fois aux applications de systèmes de batterie 12 V et 24 V
- Circuit de détection d'erreur et capacité d'exploitation à fil unique
- Mode veille avec faible consommation de courant et fonction de réveil du bus
- Broche VCC permettant l'interface avec des microcontrôleurs de 3 V à 5 V
- Faible émission électromagnétique (EME) et haute sensibilité électromagnétique
- Robustesse au décalage de mise à la terre
- Dans toutes les conditions d'alimentation, la puce se comporte de manière prévisible
- Protection thermique
- Certifié AEC-Q100 et compatible PHPP
- Dispositifs sans Pb
Applications
- Automobile
- Interface entre le camion et la remorque
- Réseau embarqué sur le véhicule
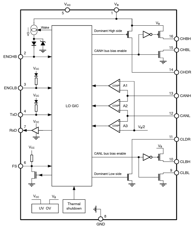
Schéma fonctionnel
Publié le: 2025-07-08
| Mis à jour le: 2025-07-15
