onsemi Pilote de grille IGBT NCV57001F
Le pilote de grille IGBT NCV57001F onsemi est un pilote IGBT monocanal à courant élevé avec isolation galvanique interne conçu pour une efficacité et une fiabilité accrues du système. Ce pilote de grille possède des entrées complémentaires, des sorties à drain ouvert FAULT et Ready, un clamp Miller actif, des UVLO précis, une protection DESAT et un arrêt progressif au DESAT. Le pilote de grille NCD57001FDWR2G accepte des signaux de 5 V et 3,3 V du côté de l'entrée et une large plage de tension de polarisation du côté du pilote, y compris une capacité de tension négative. Ce pilote de grille fournit une isolation galvanique >5 kVRMS (valeur nominale UL1577) et des capacités iorm (tension de fonctionnement) >1 200 V. Les applications typiques comprennent les alimentations électriques automobiles, les motopropulseurs des véhicules hybrides/électriques (VEH/VE), les convertisseurs BSG et les chauffages decoefficient de température (CTP) positifs.Caractéristiques
- Sortie de courant élevé (4 A/-6 A) à tensions de plateau Miller IGBT
- Faible impédance de sortie pour une meilleure alimentation des IGBT
- Délais de propagation courts avec correspondance précise
- Pince de Miller active pour empêcher l'activation intempestive de la grille
- Protection DESAT avec délai programmable
- Arrêt progressif standard de 550 ns en cas de court-circuit de l'IGBT
- Verrouillage de la grille de l'IGBT en cas de court-circuit
- Abaisseur actif de la grille de IGBT
- Seuils UVLO serrés pour une flexibilité de polarisation
- Large plage de tension de polarisation, y comprisVEE2 négatif
- Plage de tension d'alimentation d'entrée de 3,3 V à 5 V
- Isolation galvanique de 5 000 V (pour répondre aux exigences UL1577)
- Tension de fonctionnement 1 200 V (selon les exigences VDE0884-10)
- Immunité transitoire élevée
- Immunité électromagnétique élevée
- Le dispositif est sans plomb, sans halogène, sans BFR et conforme RoHS.
- Certifié AEC-Q100 et compatible PPAP
Applications
- Alimentations automobiles
- Groupe motopropulseur HEV/EV
- Onduleur BSG
- Chauffe-eau CTP
Ressources supplémentaires
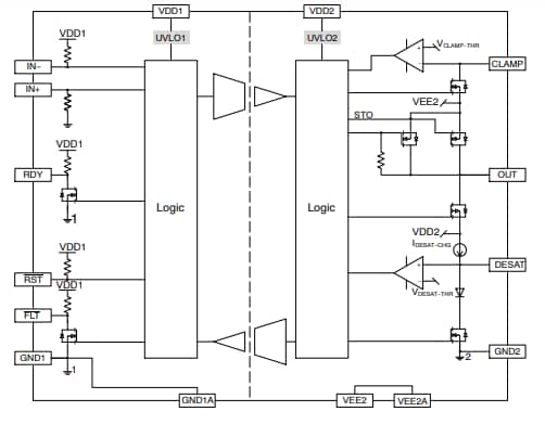
Schéma fonctionnel
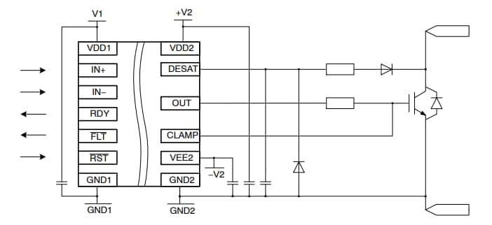
Circuit d'application simplifié
Publié le: 2020-06-02
| Mis à jour le: 2024-06-10
