onsemi Contrôleur PWM à mode courant NCV12711
Le contrôleur PWM en mode courant NCV12711 d'onsemi est un composant en mode courant de crête à fréquence fixe fournissant toutes les caractéristiques requises pour mettre en œuvre des topologies de convertisseur de puissance asymétriques. Le NCV12711 dispose d'une tension de fonctionnement de 4 V à 45 V sans enroulement auxiliaire et dans ses capacités thermiques. Le NCV12711 comprend un oscillateur programmable qui fonctionne de 100 kHz à 1 MHz et intègre une compensation de pente pour empêcher les oscillations sous-harmoniques.Le contrôleur PWM à mode courant NCV12711 d'onsemi intègre un circuit de démarrage progressif programmable, une protection UVLO de tension d'entrée et une protection contre les surtensions (OPP), qui limite la capacité de puissance totale du circuit à mesure que la tension d'entrée augmente. De plus, le NCV12711 comprend une suite de caractéristiques de protection, notamment une limitation de courant de crête cycle par cycle avec une augmentation de fréquence fluide et une protection contre la surcharge basée sur minuterie. Toutes les fonctions de protection placent le contrôleur en mode de défaillance à faible repos avec une période de récupération automatique de 1 s pour permettre la récupération du système si l'état de défaillance est supprimé.
Caractéristiques
- Large plage d'entrée VCC (4 V à 45 V)
- Régulateur interne 7,5 V
- Contrôle du mode courant avec compensation de pente réglable
- Fonctionnement à rapport de service de 0 % à vide
- Protection interne contre les surtensions
- Oscillateur programmable à simple résistance de 100 kHz à 1 MHz
- Démarrage progressif réglable en courant et fréquence de crête
- UVLO de tension d'entrée programmable avec hystérésis
- Seuil d'arrêt pour la désactivation externe
- Protection contre la surcharge avec minuteur de surcharge de 30 ms
- Amplificateur opérationnel interne
- Mode de récupération automatique en cas de défaillance avec une période de récupération automatique de 1 s
- Pilote de grille source / dissipation ±1 A
- Préfixe NCV pour l'automobile et d'autres applications nécessitant des exigences de changement de contrôle et de site uniques; certifiés AEC−Q101 et compatibles PHPP
Applications
- Convertisseurs Flyback et directs asymétriques pour véhicules électriques
- Contrôleur CC-CC d'entrée automobile de 4 V à 45 V pour alimentation auxiliaire
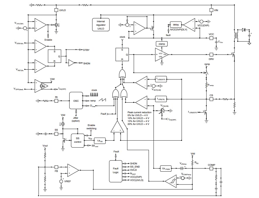
Schéma fonctionnel
Schémas d'application
