onsemi Régulateur de tension de commutation NCP81568
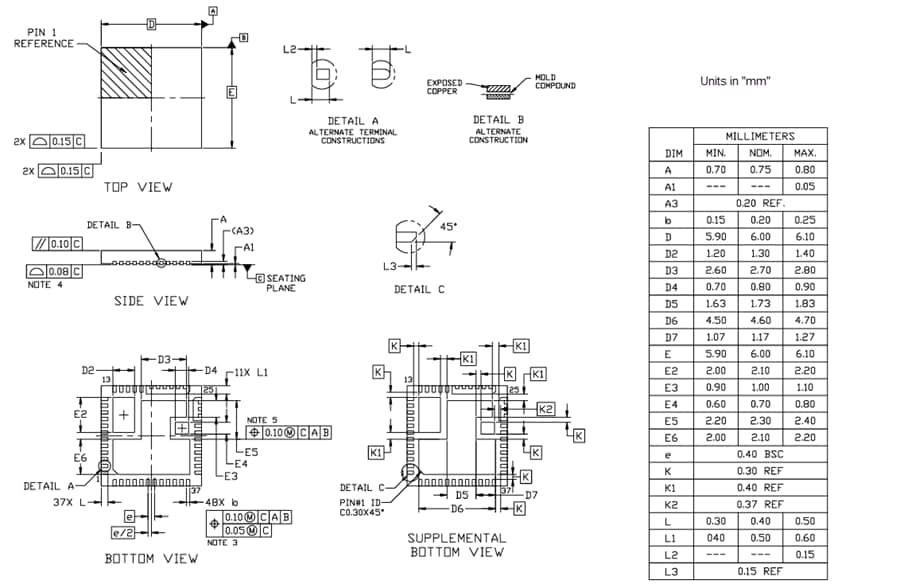
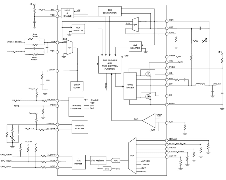
Le régulateur de tension de commutation NCP81568 d'onsemi est un régulateur de tension monophasé avec interface SVID pour les applications informatiques. Ce régulateur de tension de commutation est un régulateur monophasé à rail unique haute performance, à faible courant de polarisation avec un MOSFET de puissance intégré. Le régulateur NCP81568 dispose d'un moniteur IOUT à décalage ultra-faible avec détection DCR et détection de tension de sortie différentielle à distance. Ce dispositif est capable de délivrer un courant de sortie TDC de 20,25 A et un courant de sortie ICCMAX de 40 A sur une sortie réglable. Le régulateur NCP81568 dispose d'un amplificateur de moniteur de courant de décalage ultra-faible et d'une compensation de décalage programmable pour une surveillance du courant de haute précision. Ce régulateur est disponible dans un boîtier QFN48, 6 mm x 6 mm, à pas de 0,4 mm et sans plomb. Le régulateur de tension de commutation NCP81568 est idéal pour les ordinateurs de bureau, les ordinateurs portables et les ordinateurs ultra-portables.Caractéristiques
- Système de contrôle RPM haute performance
- Protocole IMVP9.2 d'Intel
- Moniteur IOUT à décalage ultra-faible avec détection DCR
- Détection de tension de sortie différentielle à distance
- Le contrôle transitoire doux réduit le courant d'appel et le bruit audio
- Alimentation dynamique VID feed-forward
- Gain de chute programmable à l'extérieur
- Contrôle en avance de la tension d'alimentation d'entrée
- Protection intégrée contre les surtensions, les sous-tensions et les surintensités programmables par broche
- Fonctionnement à déclivité nulle
- Exploitation ultrasonore
- Fréquence de fontionnement programmable
- Boîtier QFN48, 6 mm x 6 mm, pas de 0,4 mm
- Dispositif sans plomb
Applications
- Ordinateurs de bureau
- Notebooks
- Ordinateurs portables ultrabook
Schéma fonctionnel
Schéma de dimension
Publié le: 2025-01-31
| Mis à jour le: 2025-02-07
