onsemi Contrôleur de sortie NCP81567 6+2 phases
Le contrôleur de sortie de phase Onsemi NCP81567 6+2 est une solution Buck à deux rails, six plus deux phases optimisée pour IMVP9.2 processeurs Intel& . Le système de contrôle de rail multiphase est basé sur la modulation de largeur d’impulsion à double front (MLI) combinée à la détection de courant DCR. Cette combinaison offre une réponse initiale ultra-rapide aux événements de charge dynamique et réduit le coût du système. L’amplificateur de surveillance de courant de décalage et courant ultra-faible de l’onsemi NCP81567 offre une compensation de décalage programmable pour une surveillance de courant de haute précision.Caractéristiques
- Plage de tension d’entrée de 4,5 V à 21 V
- Démarrage en charges préchargées tout en évitant les fausses OVP
- Rampe numérique à démarrage progressif
- Vboot réglable
- Amplificateur de tension de sortie différentielle à haute impédance
- Support de table VID double compatible avec IMVP9.2
- Prend en charge les extensions à courant élevé
- Injection de référence dynamique
- Vitesses de balayage de la tension de sortie programmable
- Alimentation dynamique anticipée VID
- Amplificateurs de détection de courant différentiel pour chaque phase
- Positionnement adaptatif de tension programmable (AVP)
- Plage de fréquence de commutation réglable
- Fréquence de commutation stabilisée numériquement
- Exploitation ultrasonore
- Prend en charge la fonction d’atténuation du bruit acoustique
- Prise en charge de l’entrée VCCIN_AUX IMON
- Surveillance de l’entrée PSYS
- Conformité aux caractéristiques techniques IMVP9.2 d’Intel
- Modulation à double front en mode courant pour une réponse initiale rapide à la charge transitoire
- Boîtier QFN52, 6 mm x 6 mm
- Niveau de sensibilité à l'humidité (MSL) 1
- Sans plomb et sans halogénure (Conforme à la directive RoHS)
Applications
- Ordinateurs de bureau
- Notebooks
- Ordinateurs ultraportables
Caractéristiques techniques
- Plage de 4,75 V à 5,25 V VCC
- Plage d’alimentation d’entrée de 4,5 V à 21 V V
- Plage de sortie de 0,1 V à 3 V
- Capacité DES
- Modèle de corps humain 200 V
- Modèle de dispositif chargé 750 V
- Minuteur de détection de phase minimum de 1,5 ms
- Températures
- Plage de jonction de fonctionnement de -40 °C à +125 °C
- Plage ambiante de fonctionnement de -40 °C à +100 °C
- Brasage à +260 °C
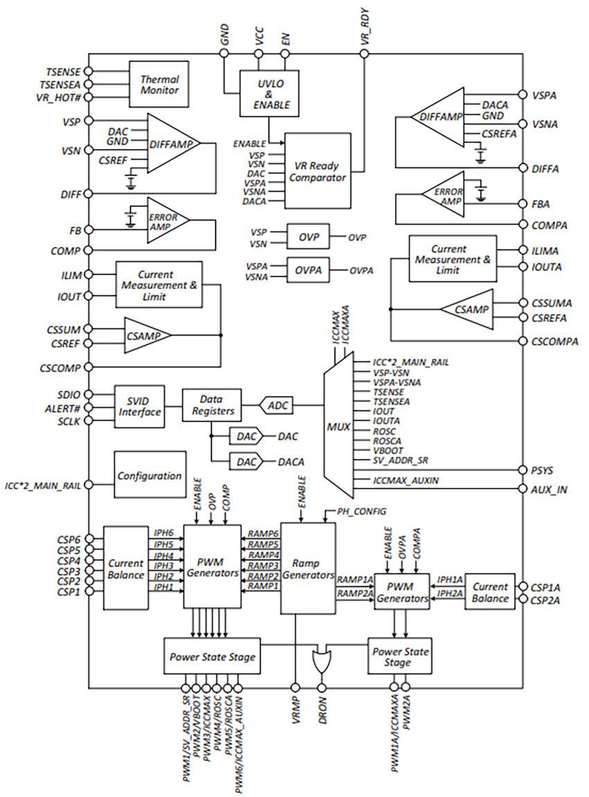
Schéma fonctionnel interne
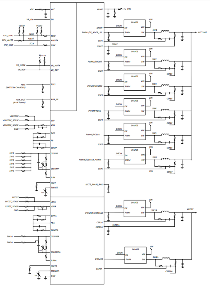
Circuit d'application standard
Publié le: 2025-02-26
| Mis à jour le: 2025-03-05
