onsemi Contrôleurs de sortie biphasés 6+2 NCP81565
Les contrôleurs de sortie biphasés 6+2 NCP81565 d’onsemi sont des solutions Buck à double rail conçues pour les processeurs Intel IMVP9.1. Le NCP81565 d'onsemi utilise une modulation de largeur d’impulsion (PWM) à double front et une détection de courant DCR dans son système de commande de rail multiphasé. Ces caractéristiques assurent une réponse rapide aux variations de charge dynamiques et aux coûts du système réduits. Par ailleurs, ces composants disposent d’un amplificateur moniteur de courant de décalage ultra-faible avec compensation de décalage programmable pour une surveillance précise du courant.Caractéristiques
- Amplificateur de tension de sortie différentiel à haute impédance
- Amplificateurs de détection de courant différentiel pour chaque phase
- Positionnement adaptatif de tension (AVP) programmable
- Fréquence de commutation stabilisée numériquement
Applications
- Ordinateurs de bureau
- Ordinateurs portables
- Ordinateurs Ultra-book
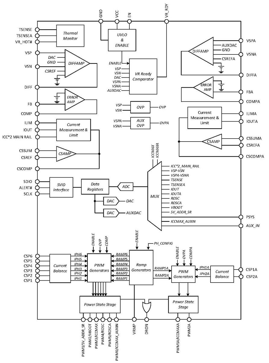
Schéma fonctionnel
Publié le: 2024-02-14
| Mis à jour le: 2024-09-17
