onsemi Contrôleurs de sortie 8+1 phases NCP81560 NCP81560
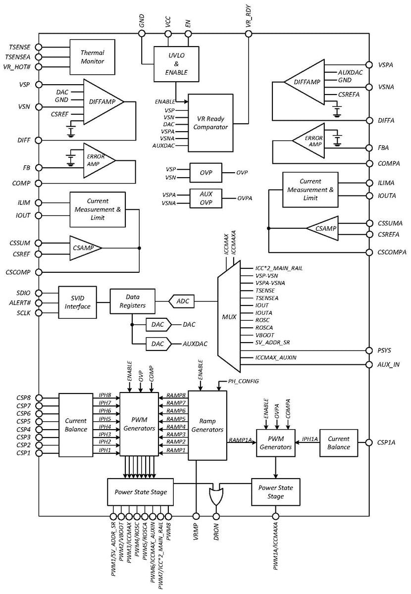
Les contrôleurs de sortie 8+1 phases NCP81560 NCP81560 d’onsemi sont des solutions buck conçues pour les processeurs Intel IMVP9.1. Les contrôleurs NCP81560 d'onsemi disposent d’un système de commande de rail multiphasé à double rail utilisant une détection de courant PWM et DCR à double front pour une réponse rapide aux événements de charge dynamique et des économies de coûts. L’amplificateur dispose d’un décalage ultra-faible pour une surveillance précise du courant, avec compensation de décalage programmable.Caractéristiques
- Amplificateur de tension de sortie différentielle à haute impédance
- Amplificateurs de détection de courant différentiel pour chaque phase
- Positionnement adaptatif de tension (AVP) programmable
- Fréquence de commutation stabilisée numériquement
- Les applications standard incluent les ordinateurs
Schéma fonctionnel
Publié le: 2024-02-14
| Mis à jour le: 2024-05-02
