onsemi Commande de grille NCP51105 côté bas simple 2,6 A
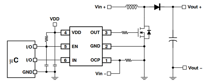
La commande de grille côté bas simple 2,6 A NCP51105 d'onsemi est une commande à courant élevé conçue pour piloter des MOSFET de puissance et des IGBT. L’entrée logique est compatible avec la sortie CMOS et TTL. La NCP51105 dispose d’une broche OCP qui fournit une protection contre les surintensités avec une tension négative détectée à travers une résistance de détection de courant de commutation et d’une broche EN qui peut signaler l’état des défaillances à un contrôleur externe tel qu’un MCU. La broche EN doit être tirée jusqu’à une tension plus élevée que le seuil pour un fonctionnement normal et abaissée pour désactiver la sortie dans toutes les conditions de défaillance. Le circuit interne VDD fournit une fonction de verrouillage de sous-tension en maintenant la sortie basse jusqu’à ce que la tension d’alimentation revienne dans la plage de fonctionnement et le temps de récupération des défaillances peut être programmé par un ensemble temporellement constant de résistance et de capacité, connecté à la broche EN.Caractéristiques
- Large plage de tension de fonctionnement jusqu’à 25 V
- Dissipation/source de crête de 2,6 A
- Temps de retard de propagation inférieur à 50 ns
- Protection contre les surintensités avec détection de tension négative
- Logique d’entrée compatible avec une large plage de tension pour TTL et CMOS
- Temps d’annulation des défaillances programmable
- Verrouillage de sous-tension pour MOSFET et IGBT
- Plage de température ambiante de -40 °C à +125 °C
- Boîtier TSOP-6
- Sans plomb, sans halogénure et conforme à la directive RoHS
Applications
- Sources d’alimentation en mode commutation
- Commutation MOSFET à haute efficacité
- Circuits redresseurs synchrones
- Convertisseurs CC-CC
- Contrôle de moteur
Application simplifiée
Schéma de principe interne
Publié le: 2024-07-31
| Mis à jour le: 2024-08-13
