onsemi Dispositifs de commande de MLI côté primaire NCP1362
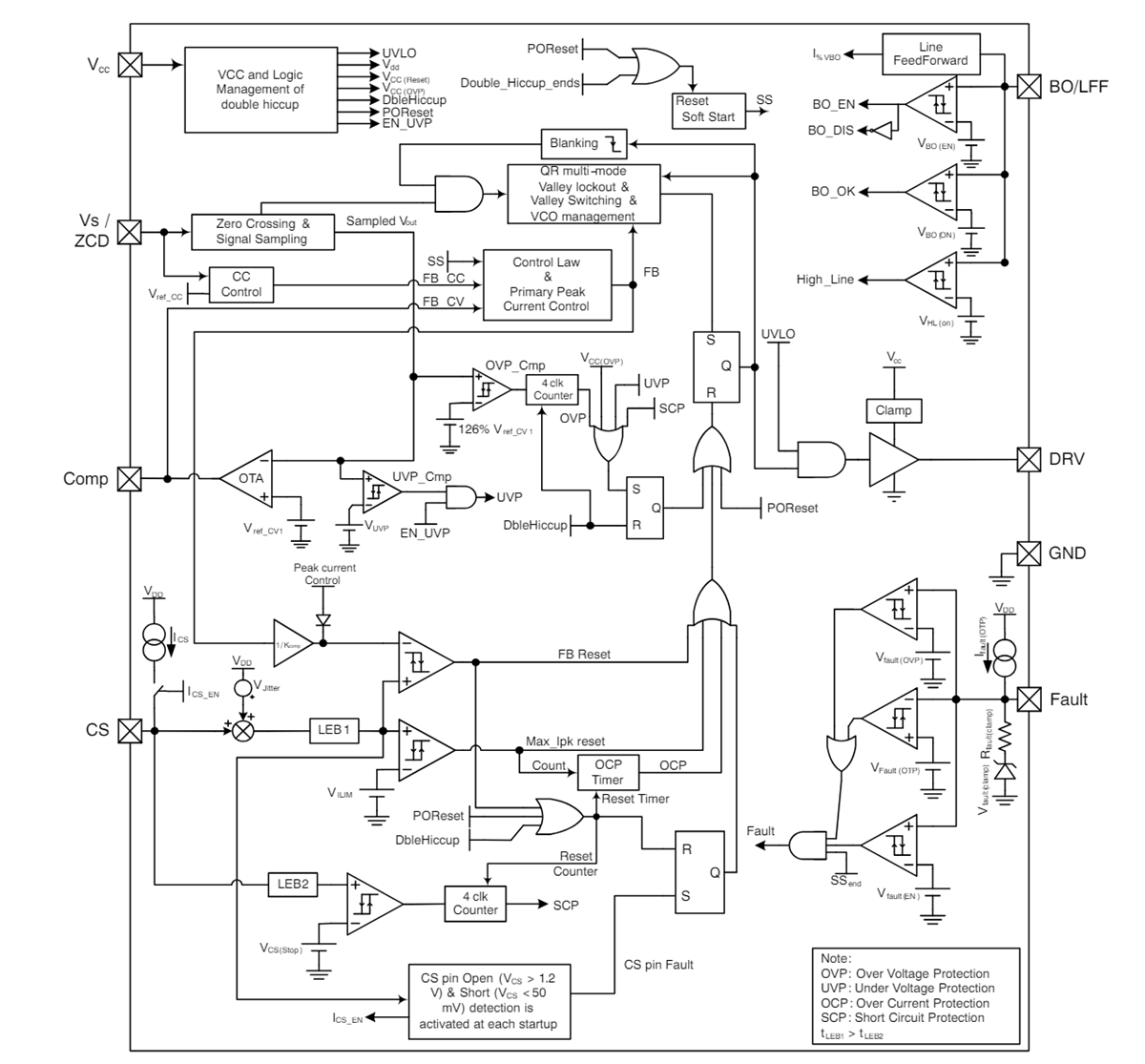
Les dispositifs de commande de MLI côté primaire NCP1362 onsemi fournissent un dispositif de commande Flyback quasi résonnant côté primaire et hautement intégré qui régule des alimentations électriques hors ligne, robustes et à hautes performances. Le NCP1362 met en œuvre la nouvelle méthode, en réservant le circuit de rétroaction secondaire pour une régulation sous tension et à intensité constantes. Cette caractéristique permet une excellente régulation de ligne et de charge sans optocoupleur classique ni référence de tension TL431.Les dispositifs de commande NCP1362 onsemi permettent un haut rendement en fonctionnement en mode de commande de mode de courant de crête quasi résonnant de verrouillage en creux à haute charge. Lorsque l’alimentation du côté secondaire commence à diminuer, le dispositif de commande règle automatiquement le cycle de service. Puis le dispositif de commande produit la modulation de fréquence d’impulsion à un courant de crête fixe, à une charge plus faible et sous détection de commutation en creux. Cette technique maintient la régulation de sortie à une charge fictive minuscule. Le verrouillage en creux dans les quatre premiers creux empêche le saut en creux, puis une commutation de creux à faible charge fournit un haut rendement.
Caractéristiques
- Régulation côté primaire sous tension constante <±5 %
- Régulation côté primaire à courant constant < ±5 %
- Caractéristique de LFF et de BO sur une broche dédiée :
- détection de BO
- LFF pour amélioration de régulation de CC
- Rendement optimisé sous charge légère et performances de veille
- Limitation de fréquence maximale (sans limitation, 80 kHz, 110 kHz et 140 kHz)
- Limite de courant de crête cycle par cycle
- Protection contre les sous-tensions ou contre les surtensions (UVP ou OVP) de sortie
- Quasi-résonante avec fonctionnement de commutation en creux
- Protection contre les courts-circuits de diode ou de bobinage secondaire
- Large plage de tension d'exploitation VCC (jusqu’à 28 V)
- Faible courant de démarrage
- Protection contre les ouvertures et les courts-circuits de broches CS et VS/ZCD
- Arrêt de température interne
- Gigue à fréquence interne et fixe pour une meilleure signature EMI
- Double courant de crête nul pour optimiser le rendement à faible charge (charge 10 %) et les performances de veille (hors charge)
- Entrée de défaillance pour conditions de défaillances graves, compatibilité NTC pour OTP
- Dispositifs sans plomb
Applications
- Adaptateurs CA-CC de basse puissance pour routeurs et pour décodeurs
- Adaptateurs CA-CC de basse puissance pour chargeurs
Style de boîtier
Schéma d’application standard pour tension alternative d’entrée
Schéma fonctionnel
