onsemi Contrôleur de convertisseur LLC NCL30159
Le contrôleur de convertisseur LLC NCL30159 d'onsemi fournit l'exploitation d'une large plage de gradation dans des conditions de sortie à une gamme de fréquence allant jusqu'à 750 kHz. Ce condensateur d’inducteur (LLC) NCL30159 est un contrôleur de mode courant côté primaire avec un haut rendement en veille, protection contre les chaînes ouvertes et démarrage dédié. Le contrôleur de convertisseur offre un démarrage à haute tension et une détection de brown− out, ce qui simplifie considérablement la conception du pilote de chaîne de LED ou d'alimentation électriqu . Ce contrôleur NCL30159 offre la fonction de limite de puissance maximale. La capacité de gradation analogique, associée à la gradation MLI, est utilisée pour concevoir le pilote LED à fenêtre et contrôler le flux lumineux total à partir de la chaîne LED.Ce contrôleur de convertisseur est fourni dans un boîtier SOIC-16 et intègre des pilotes de sortie en demi-pont avec la détection de courant primaire. Ce
régulateur est compatible avec une application d'éclairage à minimum de composants externes. Les applications typiques comprennent les pilotes LED à fenêtre (CP), les pilotes LED à variation, l’éclairage LED à haut rendement et faible coût, les chargeurs de batterie EV et les alimentations de jeu de télévision.
Caractéristiques
- Circuit de démarrage haute tension intégré avec détection de baisse de tension
- Fonctionnement haute fréquence jusqu’à 750 kHz (en partant de 20 kHz)
- Schéma de contrôle en mode courant
- Temps mort automatique avec limitation du temps mort maximal
- Protection contre les surintensités et les chaînes ouvertes
- Protection contre les courts-circuits de chaîne LED
- Cycle d’arrêt exclusif en fonctionnement à vide
- Séquence de démarrage progressif dédiée pour éviter la commutation dure
- Dispositif sans plomb
Caractéristiques techniques
- Chute de tension du pilote côté bas de 50 mV
- Courant de court-circuit de source de sortie de 0,8 A
- Courant de court-circuit du dissipateur de sortie de 1,5 A
- Courant de fuite de 10 μA
Applications
- Éclairage LED économique et haut rendement (de 50 W à 300 W)
- Pilotes LED à fenêtre (CP)
- Pilotes LED à variation
- Chargeurs de batteries de véhicules électriques
- Alimentations TV
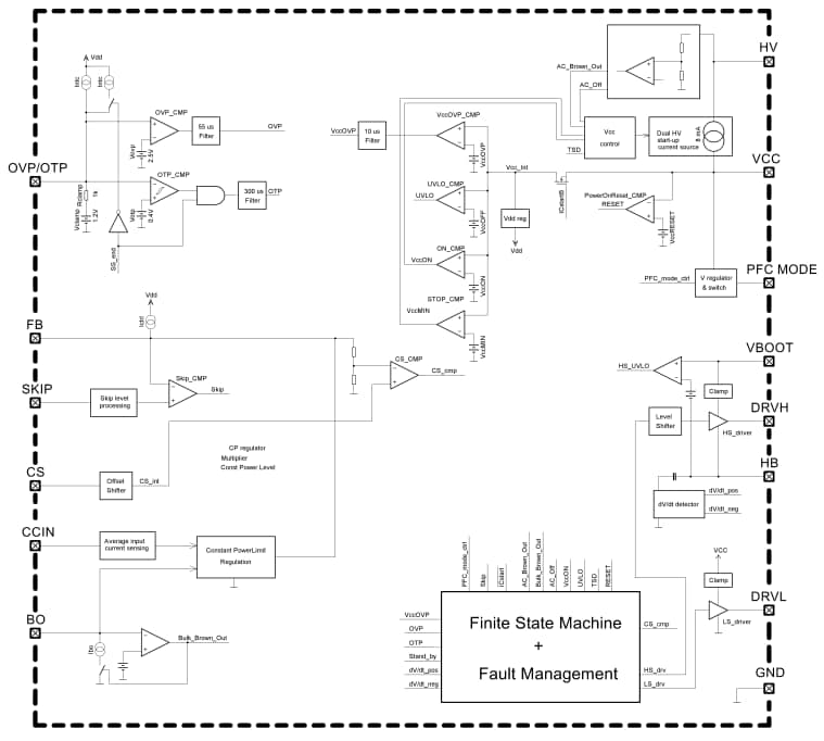
Schéma fonctionnel
Connexions de broches
Publié le: 2023-12-19
| Mis à jour le: 2024-05-29
