onsemi Pilotes de grille IGBT/MOSFET NCD57090 et NCV57090
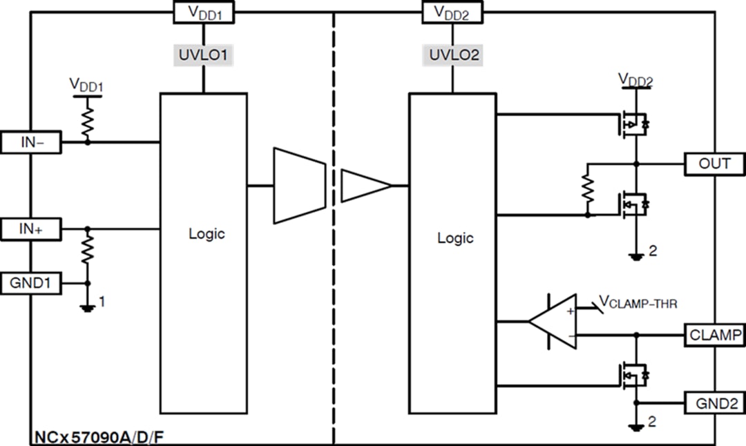
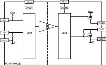
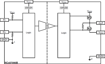
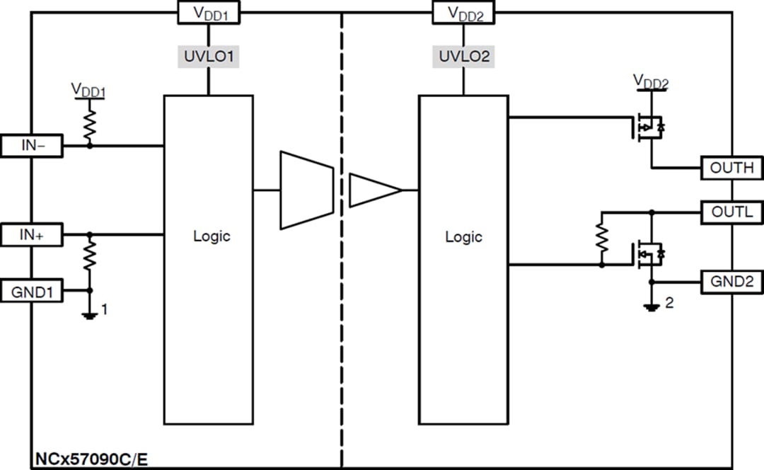
Les pilotes de grille IGBT/MOSFET NCD57090 et NCV57090 onsemi sont des pilotes de grille mono-canal à courant élevé pour les IGBT et les MOSFET, avec une isolation galvanique interne de 5 kVRMS. Les NCD57090 et NCV57090 offrent un haut rendement et une haute fiabilité du système dans les applications à haute puissance. Ces composants sont dotés d'entrées complémentaires et, selon la configuration des broches, offrent des options telles que la Pince Miller Active, l'alimentation négative et des sorties de pilote haut et bas (OUTH et OUTL) séparées pour plus de commodité dans la conception du système. Les NCD57090 et NCV57090 sont compatibles avec une large gamme de tensions de polarisation d'entrée et de niveaux de signaux de 3,3 V à 20,0 V.Les pilotes de grille IGBT/MOSFET NCD57090 et NCV57090 d'onsemi sont proposés en boîtier SOIC-8 compact. Le NCV57090 est certifié AEC-Q100 et compatible PPAP pour les applications automobiles.
Caractéristiques
- Certifié AEC-Q100 et compatible PPAP (NCV57090 uniquement)
- Courant de sortie de pointe élevé +6,5 A/-6,5 A
- La faible chute de tension de la pince élimine le besoin d'une alimentation électrique négative pour éviter l'activation intempestive de la grille (Versions A, D, F)
- Délais de propagation courts avec correspondance précise
- Verrouillage de grille d'un IGBT/MOSFET lors d'un court-circuit
- Abaisseur actif de grille d'un IGBT/MOSFET
- Seuils UVLO serrés pour une flexibilité de polarisation
- Large plage de tension de polarisation, y compris VEE2 négatif (Version B)
- Entrée logique 3 V, 5,0 V et 15,0 V
- Isolation galvanique de 5kV RMS
- Immunité transitoire élevée
- Immunité électromagnétique élevée
- Température de jonction maximale 150 °C
- Plage de température de fonctionnement : de -40 °C à +125 °C
- Boîtier SOIC-8
- Sans plomb, sans halogène, sans BFR et conforme à la directive RoHS
Applications
- Applications automobiles (NCV57090 uniquement)
- Commande de moteurs
- Alimentation sans interruption (ASI)
- Alimentations électriques industrielles
- Onduleurs solaires
Désignations des broches
Profil du boîtier
Ressource supplémentaire
Publié le: 2021-03-12
| Mis à jour le: 2024-03-05
