onsemi Commandes de grilles IGBT isolées NCD57001FDWR2G
Les commandes de grilles IGBT isolées NCD57001FDWR2G à courant élevé d'Onsemi sont des pilotes IGBT monocanal avec une isolation galvanique interne, conçus pour une haute efficacité et une grande fiabilité du système. Cette commande de grille possède des entrées complémentaires, des sorties à drain ouvert FAULT et Ready, un clamp Miller actif, des verrouillages de sous-tension (UVLO) précis, une protection DESAT et un arrêt progressif à DESAT. Les commandes de grilles NCD57001FDWR2G d'Onsemi prennent en charge les signaux de 5 V et 3,3 V du côté de l'entrée et une large plage de tension de polarisation du côté du pilote, y compris la capacité de tension négative. Cette commande de grille fournit une isolation galvanique >5 kVrm s (classification UL1577) et des capacités >1 200 Viorm (tension de fonctionnement). Les applications typiques comprennent les convertisseurs solaires, le contrôle de moteur, les alimentations sans interruption (ASI), les alimentations électriques industrielles et le soudage.Caractéristiques
- Sortie de courant élevé de +4/-6 A à des tensions de plateau Miller IGBT
- Faible impédance de sortie pour un pilotage igbt amélioré
- Délais de propagation courts avec correspondance précise
- Pince de Miller active pour empêcher l'activation intempestive de la grille
- Protection DESAT avec délai programmable
- Tension négative pouvant descendre jusqu'à -9 V pour DESAT
- Arrêt progressif en cas de court-circuit de l'IGBT
- Verrouillage de la grille IGBT en cas de court-circuit
- Abaisseur actif de grille IGBT
- Seuils UVLO serrés pour une flexibilité de polarisation
- Large plage de tension de polarisation, y compris VEE2 négatif
- Plage de tension d'alimentation d'entrée de 3,3 V à 5 V
- Conçu pour être conforme à la norme AEC-Q100
- Isolation galvanique 5 000 V (pour répondre aux exigences UL1577)
- Tension de fonctionnement 1 200 V (selon les exigences VDE0884-10)
- Immunité transitoire élevée
- Immunité électromagnétique élevée
- Sans plomb, sans halogène et conforme à la directive RoHS
Applications
- Convertisseurs solaires
- Commande de moteurs
- ASI
- Sources d’alimentation industrielles
- Soudage
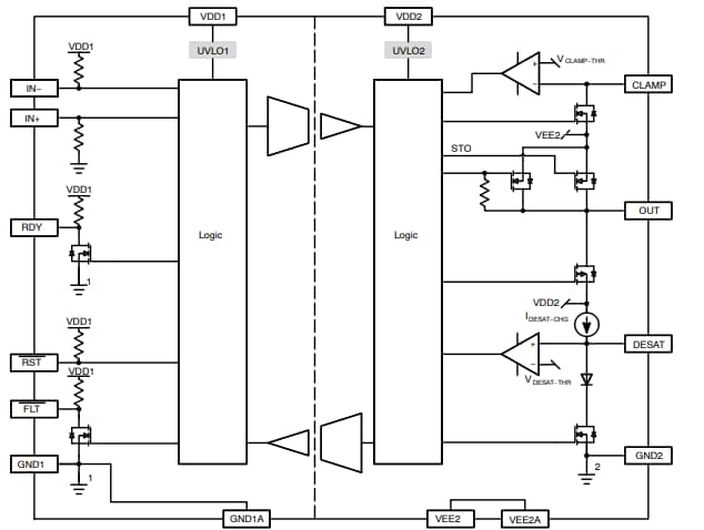
Schéma fonctionnel
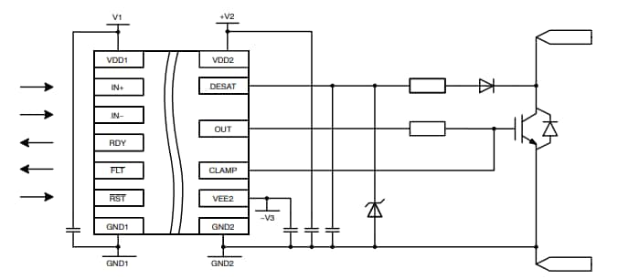
Schéma d'application
Ressources supplémentaires
Publié le: 2020-06-01
| Mis à jour le: 2024-06-06
