onsemi Optocoupleurs HCPL3700M
Les optocoupleurs HCPL3700M d'onsemi sont des dispositifs de détection de seuil de tension/courant constitués d’une LED AlGaAs connectée à un CI tampon d’entrée de détection de seuil. Ce CI est couplé optiquement à une sortie Darlington à gain élevé. Ces optocoupleurs comprennent une puce tampon d’entrée capable de contrôler des niveaux de seuil sur une large plage de tensions d’entrée avec une seule résistance. La sortie est compatible TTL et CMOS. Les optocoupleurs HCPL3700M disposent d’une tension de détection programmable et d’une compatibilité au niveau logique du composant. Ces optocoupleurs sont sans plomb et ont un seuil garanti sur une plage de température de 0 °C à 70 °C. Les optocoupleurs HCPL3700M sont adaptés pour la détection basse tension, à la détection de tension CA/CC de 5 V à 240 V, au moniteur de contact de relais, à la détection de courant, à l’interface de microprocesseur et aux commandes industrielles.Caractéristiques
- Entrée CA ou CC
- Tension de détection programmable
- Compatibilité au niveau logique
- Seuil garanti sur la plage de température de 0 °C à 70 °C
- Il s’agit de dispositifs sans plomb
- Homologations réglementaires et de sécurité :
- UL1577, 5 000 VCA RMS pendant 1 minute
- DIN EN/IEC60747-5-5
Applications
- Détection de basse tension
- Détection de tension CA/CC de 5 V à 240 V
- Moniteur de contact de relais
- Détection de courant
- Interface de microprocesseur
- Commandes industrielles
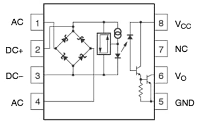
Connexions électriques
Schéma fonctionnel
View Results ( 5 ) Page
| Numéro de pièce | Fiche technique | Description |
|---|---|---|
| HCPL3700SDVM | ![]() |
Optocoupleurs sortie logique AC/DC to Logic Interface Optocoupler |
| HCPL3700SM | ![]() |
Optocoupleurs sortie logique 8PW AC/DC INTF SMD |
| HCPL3700SDM | ![]() |
Optocoupleurs sortie logique 8PW AC/DC INTF T&R SMD |
| HCPL3700M | ![]() |
Optocoupleurs sortie logique AC/DC HI-SPEED LOGIC INTERFACE |
| HCPL3700VM | ![]() |
Optocoupleurs sortie logique 8PW AC/DC INTF DIP |
Publié le: 2024-09-30
| Mis à jour le: 2024-10-28

