onsemi Transistor moyenne puissance NPN BCP56M
Le transistor de moyenne puissance NPN BCP56M d'onsemi est conçu pour les applications d’amplificateur à usage général qui offrent des performances thermiques supérieures. Ce transistor NPN est logé dans un boîtier DFN2020-3 à flanc mouillable pour une inspection optique automatisée (AOI) optimale. Le transistor de moyenne puissance BCP56M est un dispositif de 80 V, 1 A qui fonctionne sur une plage de température de jonction et de stockage de -65°C à +150°° C. Ce transistor est certifié AEC-Q101, compatible PHPP, sans plomb, sans halogène, sans BFR et conforme à la directive RoHS. Le transistor de moyenne puissance BCP56M est idéal pour la commutation et l’amplification à usage général et les ECU automobiles.Caractéristiques
- Boîtier à flanc mouillable pour une inspection optique automatisée (AOI) optimale
- Préfixe NSV pour l’automobile et d’autres applications nécessitant un site unique et des exigences de changement de contrôle
- Plage de température de jonction de fonctionnement et de stockage de -65 °C à 150 °C
- Certifié AEC-Q101 et compatible PHPP
- Sans plomb, sans halogène, sans BFR et conforme à la directive RoHS
Applications
- Commutation et amplification à usage général
- UCE automobiles
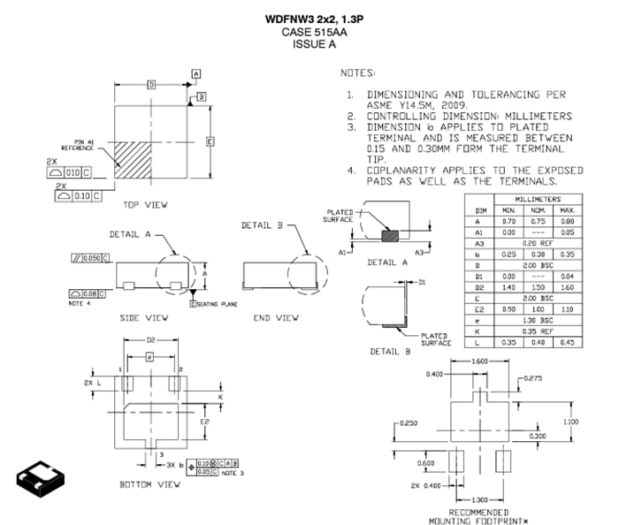
Dimensions du boîtier
Publié le: 2024-09-12
| Mis à jour le: 2024-10-18
