onsemi Modules Q2Pack et Q2BOOST NPC à trois niveaux
Les modules Q2Pack NPC à trois niveaux NXH350N100H4Q2F2 d'Onsemi sont des modules d'alimentation intégrés (PIM) contenant un seul étage NPC de type I. L'étage NPC de type I comprend des diodes SiC de 100 A, 1 200 V pour les pinces de point neutre, des IGBT de 350 A, 1 000 V pour les IGBT externes et des IGBT de 400 A, 1 000 V pour les IGBT internes. Le module Q2Pack NXH350N100H4Q2F2 d'Onsemi offre une puissance de sortie plus élevée que d'autres solutions IGBT 1 200 V et contient une thermistance embarquée. Le module Q2BOOST d'Onsemi offre une excellente efficacité et des pertes thermiques exceptionnelles, avec la flexibilité nécessaire pour prendre en charge différents processus de fabrication.Caractéristiques
- Tranchée hautement efficace avec technologie à arrêt de champ
- La faible commutation réduit la dissipation d'énergie du système.
- La conception du module garantit une densité de puissance élevée
- Configuration à faible induction
- Faible hauteur de boîtier
- Sans plomb, sans halogène/sans RFB et conforme à la directive RoHS
Applications
- Convertisseurs solaires
- Systèmes d'alimentation électrique ininterrompue
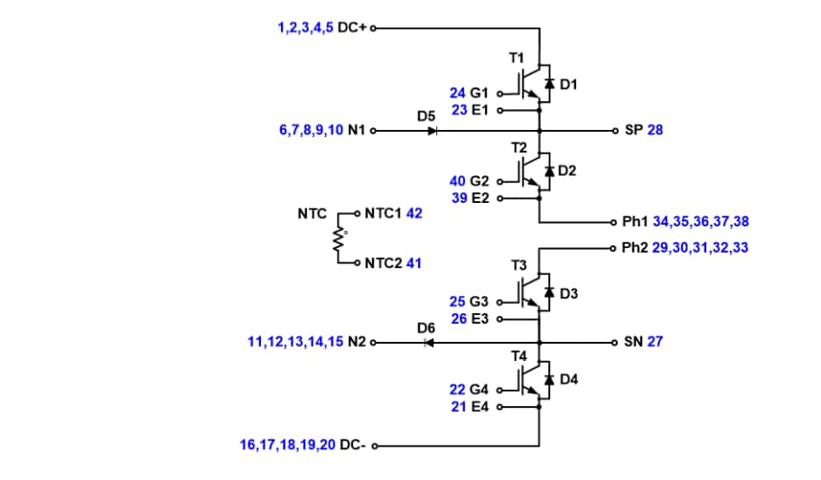
Schéma de principe
Connexion des broches
Publié le: 2020-09-25
| Mis à jour le: 2025-07-24
