onsemi Double émetteur-récepteur LIN NCV7422
L'émetteur-récepteur de réseau local d'interconnexion (LIN) double NCV7422 Onsemi est un dispositif de couche physique à deux canaux qui utilise le protocole LIN. Cet émetteur-récepteur interface deux bus physiques LIN indépendants et les contrôleurs du protocole LIN. Le bus LIN est conçu pour communiquer des données à faible débit à partir de dispositifs de contrôle tels que les serrures de portes, les rétroviseurs, les sièges de voiture et les toits ouvrants au coût le plus bas possible. Ce bus élimine autant de câblage que possible et est installé en utilisant un seul fil dans chaque nœud.L'émetteur-récepteur LIN NCV7422 onsemi fait partie des émetteurs-récepteurs de réseaux embarqués (IVN). Cet émetteur-récepteur est conforme à la norme ISO 17987-4 (compatibilité descendante avec la spécification LIN rev. 2.x et 1,3) et SAE J2602.Caractéristiques
- Composant de couche physique à deux canaux
- Appartient à la famille d'émetteurs-récepteurs IVN
- Tension de bus ±42 V
- Plage de débit de transmission de 1 kbps à 20 kbps
- Fonction de temporisation TxD
- Contrôle de pente intégré
- Protection :
- Arrêt thermique
- Détection de sous-tension
- Broches de bus protégées contre les transitoires dans un environnement automobile
- Brochage compatible avec le boîtier DFN8 NCV7329
- Compatible avec la ligne K
- Boîtier vert DFN-14 flanc mouillable
- Modes :
- Mode normal : l'émetteur-récepteur LIN est activé et la communication via le bus est possible.
- Mode veille - émetteur-récepteur LIN désactivé, et la consommation de VBB est minimisée
- Mode veille mode - transition mode atteint après l'événement de réveil sur le LIN bus
- Conforme aux normes ISO 17987-4, LIN2.2a, LIN2.2, LIN2.1, LIN 2,0 et SAEJ2602.
- Certifé AEC-Q100 et compatible PPAP
Schéma fonctionnel
Ressource supplémentaire
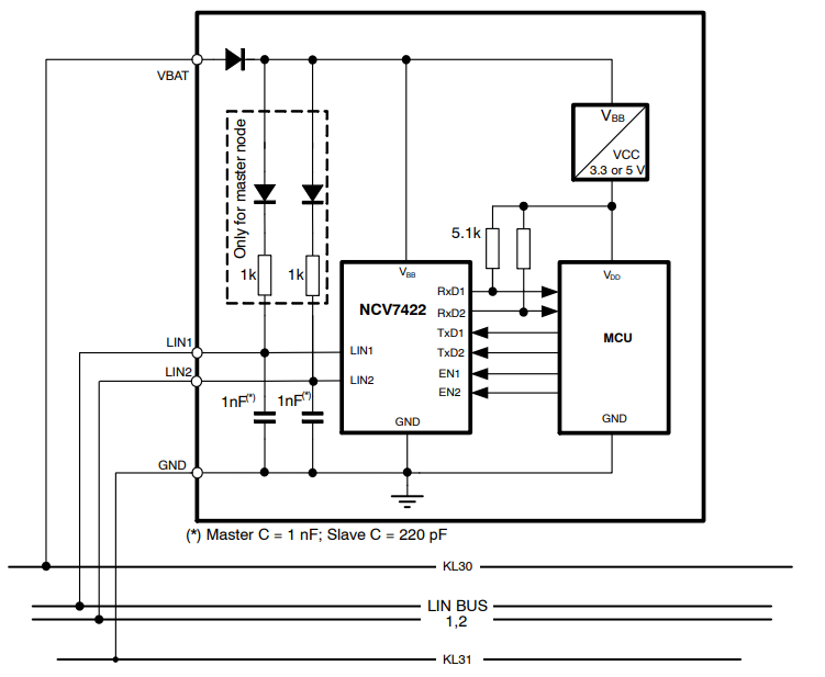
Schéma de circuit d'application
Publié le: 2020-06-08
| Mis à jour le: 2024-05-23
