onsemi Commutateurs Buck HT double sortie NCP10970
Les commutateurs abaisseurs HT à doubles sorties onsemi NCP10970 constituent une solution d'alimentation auxiliaire. Les commutateurs NCP10970 sont optimisés pour un microcontrôleur ou pour un système basé sur un processeur de signaux numériques (DSP). Les dispositifs onsemi NCP10970 comportent un commutateur sous haute tension, un régulateur de ligne et une circuiteriecomparatrice dédiée. Le commutateur permet de construire une tension de sortie jusqu'à 16 V qui est réglable par le diviseur de résistance sur la broche de FB et protégé contre les courts-circuits. La circuiterie dédiée interne empêche toute opération en mode continu de conduction (CCM) et améliore la résistance aux surtensions, l'efficacité et la prévention des EMI. Les applications typiques comportent la gestion d'alimentation pour l'éclairage intelligent, les produits blancs, l'IoT (ou IdO), les pilotes/ballasts d'éclairage basés sur un MCU et sur le DSP et les solutions industrielles d'alimentation auxiliaire à sorties multiples.Caractéristiques
- Blocs multiples à haute intégration
- Commutateur abaisseur d'entrée de 670 V
- LDO de 3,3 V/100 mA (option A1)
- LDO de 5 V/100 mA (option B1)
- Double sortie buck
- Mode veille par microcontrôleur (MCU)
- Fonctions de protections/utilitaire
- Broche d'entrée/sortie de situation d'anomalie
- Comparateur à réponse rapide
- Détection de démagnétisation
- Protection contre les courts-circuits sur l'abaisseur et sur le LDO - arrêt thermique interne
- Génération brevetée de VRAW pour l'entrée de LDO
- Source de courant de démarrage à haute tension
- MOSFET latéral intégré 670 V et 18 Ω RDS(on)
- Schéma de commande de mode de courant de DCM à fréquence fixe
- Démarrage progressif en 4 ms
- Faible perte de puissance LDO
- Faible puissance d'entrée à vide
- Fiabilité de système élevée
- Design flexible avec protection contre les surchauffes (OTP)/contre les surintensités (OCP)
- Fonctionnement stable sans CCM
- Certification de sécurité facile à réussir
- Réalise de bonnes performances en mode veille
- Boîtier SO à 16 broches avec ligne de fuite
- Conception à petit facteur de forme
Applications
- Gestion d'alimentation pour éclairage intelligent, pour produits blancs et pour l'IdO (IoT)
- Pilotes d'éclairage/ballasts à base de MCU et de DSP
- Éclairage
- Électroménager
- Alimentations électriques
Ressources supplémentaires
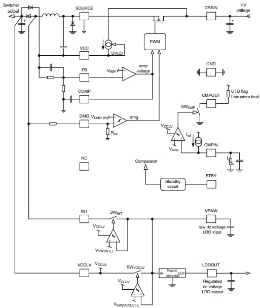
Schéma fonctionnel simplifié
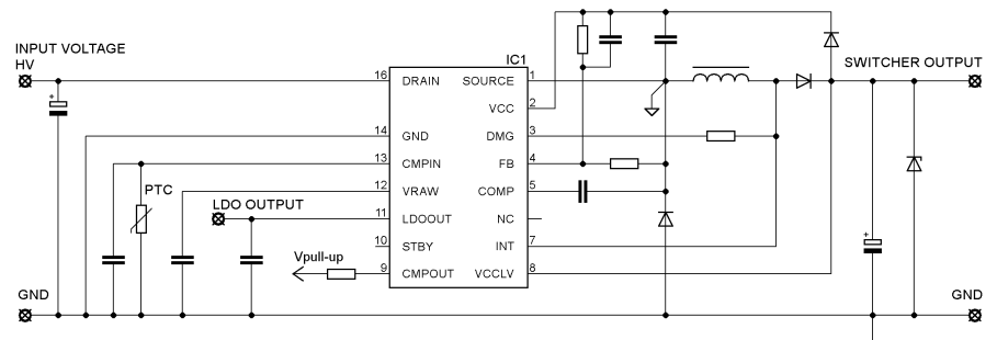
Schéma d'application
Publié le: 2020-09-01
| Mis à jour le: 2024-05-29
