onsemi Contrôleur CCM PFC FAN9673
Le FAN9673 Fairchild Semiconductor est un circuit intégré contrôleur de correction du facteur de puissance (PFC) à mode de conduction continue (CCM) à trois voies entrelacées conçu pour les pré-régulateurs PFC. En incorporant des circuits pour la mise en œuvre de la correction du facteur de puissance de type « boost », du courant moyen et du front montant, le FAN9673 permet de concevoir une alimentation qui satisfait totalement la norme CEI1000-3-2. Son fonctionnement entrelacé permet une réduction conséquente des courants d'ondulation en entrée et sortie, le filtre EMI de propagation devient plus simple et plus économique. Une fonction de gestion des canaux innovante permet au niveau de puissance des canaux esclaves d'être chargé et déchargé souplement selon la tension de référence sur la broche CM, ce qui améliore la réponse aux transitoires de charge du convertisseur PFC. Le FAN9673 intègre aussi une variété de fonctions de protection, dont : limitation de courant de crête, protection contre les chutes de la tension d'entrée et fonction TriFault Detect™.An innovative channel management function allows the power level of the slave channels to be loaded and unloaded smoothly according to the setting voltage on the CM pin, improving the PFC converter's load transient response. The onsemi FAN9673 also incorporates a variety of protection functions, including: peak current limiting, input voltage brown out protection, and TriFault Detect™ function.
Caractéristiques
- Continuous Conduction Mode (CCM) control
- Three-channel PFC control (maximum)
- Average current-mode control
- PFC slave channel management function
- 18kHz to 40kHz or 55kHz to 75kHz programmable operating frequency range
- Programmable PFC output voltage
- Two current limit functions
- TriFault Detect protects against feedback loop failure
- Sag protection
- Programmable soft-start
- Under-voltage lockout (UVLO)
- Differential current sensing
- Available in 32-pin LQFP package
Applications
- High power AC - DC power supply
- DC motor power supply
- White goods
- Server and telecom power supply
- UPS
- Industrial welding and power supply
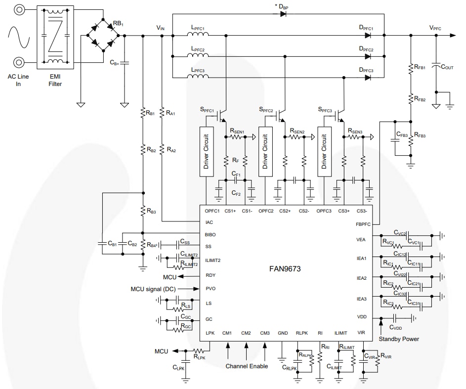
Typical Application
Publié le: 2014-04-03
| Mis à jour le: 2022-03-11
