onsemi Modules FSB50xxx Advanced Motion série SPM® 5
Les modules FSB50xxx Advanced Motion série SPM® 5 de Fairchild assurent un étage inverseur en sortie à haute performance et doté de toutes les options pour les moteurs BLDC et PMSM, à induction CA. Ces modules comportent un pilote de grille optimisé sur les MOSFET intégrés (technologie FRFET® ou SuperFET®) pour minimiser les interférences EMI et les pertes, tout en assurant en même temps de nombreuses fonctionnalités de protection sur le module, dont des verrouillages en sous-tension et une surveillance thermique. Le HVIC à haute vitesse intégré nécessite juste une seule tension d'alimentation et traduit les entrées à niveau logique arrivant à la grille en signaux pilotes à haute tension et courant fort pour piloter correctement les MOSFET internes du module. Des bornes séparées à source ouverte sont disponibles sur les MOSFET pour chaque phase afin de prendre en charge la plus large variété possible d'algorithmes de contrôle.Caractéristiques
- UL certified no. E209204 (UL1557)
- FRFET or SuperFET MOSFET 3-phase inverter with gate drivers and protection
- Built-in bootstrap diodes that simplify PCB layout
- Separate open-source pins from low-side MOSFETs for three-phase current-sensing
- Active-HIGH interface, works with 3.3V/5V logic, and Schmitt-trigger input
- Optimized for low electromagnetic interference
- HVIC temperature-sensing built-in for temperature monitoring
- HVIC for gate driving and undervoltage protection
- 1500Vrms /1 min. isolation rating
- RoHS compliant
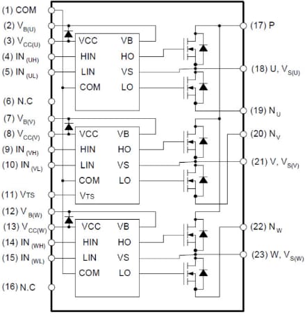
Block Diagram
Vidéos
View Results ( 8 ) Page
| Numéro de pièce | Fiche technique | Description | Courant d'alimentation de fonctionnement | Package/Boîte |
|---|---|---|---|---|
| FSB50550BB | ![]() |
Contrôleurs et pilotes de moteur / de mouvement / d'allumage V3 INV 500V 3OHM | 900 uA | SPM5T-21 |
| FSB50550AS | ![]() |
Modules d'alimentation intelligents (IPM) PWM Controller mWSaver | SPM5Q-23 | |
| FSB50450AS | ![]() |
Modules d'alimentation intelligents (IPM) Smart Power Module | SPM-23 GD | |
| FSB50250AS | ![]() |
Modules d'alimentation intelligents (IPM) Smart Power Module | SPM-23 GD | |
| FSB50250AT | ![]() |
Modules d'alimentation intelligents (IPM) Smart Power Module | SPM-23 ED | |
| FSB50825AS | ![]() |
Modules d'alimentation intelligents (IPM) 250V, 2A, 3PHASE FRFET SMRT PWR MDLE | SPM5Q-23 | |
| FSB50550AB | ![]() |
Modules d'alimentation intelligents (IPM) Motion SPM | SPM23DD-21 | |
| FSB50550AT | ![]() |
Modules d'alimentation intelligents (IPM) Smart Power Module | SPM5N-23 |
Publié le: 2014-08-04
| Mis à jour le: 2024-01-05

