Omron Electronics Relais G5NB-EL-CF hautes températures minces 5 A
Les relais hautes températures minces 5 A G5NB-EL-CF d’Omron Electronics offrent une option de relais à bornes PCB minces pour les conceptions nécessitant une commutation haute température (+105 °C) de 5 A à 250 VCA. Ces relais à bobine de classe F étanches sont conformes à la norme IEC/EN60079-15 résistante aux explosions. Ces caractéristiques de conception font des relais haute température Omron GN5B-EL-CF des candidats idéaux pour la commutation dans les environnements de gaz inflammable.Caractéristiques
- Prend en charge les charges CA et CC avec des valeurs nominales d’endurance électrique élevées
- 5 A à 250 VCA (50 000 opérations à +105 °C)
- 5 A à 30 VDC (100 000 opérations à +85 °C)
- Conforme IEC/EN60079-15 — Résistant aux explosions pour les applications nécessitant une commutation dans les environnements de gaz inflammables
- température de fonctionnement jusqu’à +105 °C dans les modèles à haute température pour une flexibilité de conception étendue
Applications
- Pompes à chaleur
- Chaudières
- Climatisation
- Machines industrielles
- Automatisation d'usine
- Convertisseurs
Fiches techniques
Disposition des bornes/connexion interne
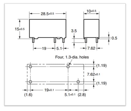
Dimensions
Publié le: 2024-04-26
| Mis à jour le: 2024-05-10
