Omron Electronics Relais MOSFET G3VM-QR
Le relais MOSFET G3VM-QR d’Omron Electronics présente une faible capacité à l'état bloqué, une faible résistance en état de fonctionnement et prend en charge une commutation maximale 400 mA à 60 V. Le G3VM-QR est un relais compact et léger qui est livré dans un boîtier S-VSON (L) de 1,3 mm x 2 mm x 1,45 mm. Les avantages supplémentaires incluent une vitesse de commutation rapide, un transfert de signal propre et une flexibilité de densité supérieure grâce à une plage de températures ambiantes allant de -40 °C à +110 °C. Le relais MOSFET G3VM-QR d’Omron Electronics convient aux équipements de test de semi-conducteurs, aux équipements de communication, aux sources d’alimentation et aux enregistreurs de données.Caractéristiques
- conception compacte et légère
- Caractéristiques de sortie excellentes
- Réponse rapide
- Capacité de température élevée
- Transfert de signal propre
- Permet une grande flexibilité de conception
Applications
- Sources d’alimentation
- Équipement de test à semi-conducteurs
- Équipement de communications
- Équipement de test et de mesure
- Enregistreurs de données
Caractéristiques techniques
- Boîtier S-VSON (L) de 1,3 mm x 2 mm x 1,45 mm
- Tension de charge 60 V
- Courant de charge continu de 400 mA
- Résistance maximale de 1,5 Ω avec sortie ON (RON)
- Capacité entre les bornes de 12 pF
- Temps d’allumage maximal de 0,25 ms
- Temps d’arrêt maximal de 0,2 ms
- Bornes à montage en surface
- Plage de température ambiante de -40 °C à +110 °C
Dimensions du boîtier et du support de montage
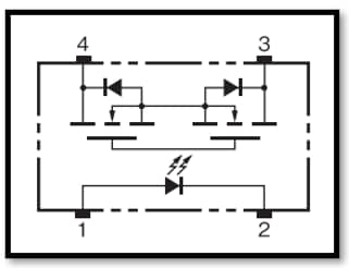
Disposition de bornes/Connexion interne
Publié le: 2024-09-19
| Mis à jour le: 2025-04-25
