NXP Semiconductors Contrôleurs PFC entrelacés configurables TEA2376xT
Les contrôleurs PFC entrelacés configurables TEA2376xT NXP Semiconductors sont des composants numériques biphasés pour les alimentations à haut rendement. Les contrôleurs PFC fonctionnent en mode de conduction discontinue ou en mode quasi-résonnant avec commutation en creux pour optimiser le rendement. Les composants TEA2376xT permettent de construire un contrôleur de facteur de puissance entrelacé, ce qui est facile à concevoir avec un faible nombre de composants externes. L’architecture numérique est basée sur une machine à état matériel configurable à haut débit assurant des performances fiables en temps réel. Pour répondre aux exigences spécifiques des applications, de nombreux paramètres de fonctionnement et de protection du contrôleur PFC peuvent être réglés en chargeant de nouveaux paramètres dans le composant avec I2C pendant le développement de l’alimentation. Ces composants sont disponibles en boîtiers plastique SO10 ou SO14 à profil mince et largeur de corps étroite (3,9 mm).Pour un facteur de puissance élevé et une faible distorsion harmonique totale (THD), la mise en forme du courant d’entrée est utilisée. Un filtre à encoche permet une réponse transitoire plus rapide en supprimant la composante de la fréquence secteur dans la boucle de régulation, tout en maintenant une faible THD. Pour un fonctionnement à faible charge avec un bon rendement, le déphasage et le fonctionnement en mode rafale sont inclus. Pour respecter les réglementations en matière d’efficacité et d’alimentation en veille d’Energy Star, du Département de l’énergie, de la directive sur l’écoconception de l'Union européenne, du Code de conduite européen et d’autres directives, la consommation d’énergie du CI est réduite en mode rafale.
Le TEA2376xT contient de nombreuses protections, telles que la protection contre les surchauffes internes et externes (OTP), la protection contre les surintensités (OCP), la protection contre les surtensions doubles (OVP), la protection contre les courants d’appel (ICP), l’ouverture des broches, la protection contre les courts-circuits des broches et la protection contre les défaillances de phase. Les protections peuvent être configurées indépendamment et à l’aide de paramètres programmables. Les contrôleurs PFC entrelacés configurables TEA2376xT de NXP Semiconductors permettent un PFC entrelacé facile à concevoir, à haut rendement et fiable, pour des niveaux de puissance pouvant atteindre habituellement 1 000 W.
Caractéristiques
- Contrôleurs PFC entrelacés dans un boîtier SO10 (TEA2376AT) ou SO14 (TEA2376BT et TEA2376DT), plastique avec une largeur de corps de 3,9 mm
- Déphasage programmable et fonctionnement en mode rafale
- Protection contre les surtensions en sortie double
- Protection de courant d’appel
- Facteur de puissance élevé (PF) et faible distorsion harmonique totale (THD), également à des tensions d’entrée élevées
- De nombreux paramètres peuvent être configurés pendant l’évaluation avec l’utilisation d’une interface utilisateur graphique (GUI) conviviale
- Bon contrôle de phase sur l’ensemble de la plage de tension d’entrée
- Faible bruit audible
- Commutation de tension de creux/nulle pour des pertes de commutation minimales
- Haut rendement d’une charge élevée à une charge moyenne et faible charge par délestage de phase et fonctionnement en mode rafale
- Les protections peuvent être réglées indépendamment sur Verrouillage, Redémarrage en toute sécurité ou Verrouillage après plusieurs tentatives de redémarrage
- Protection contre les surtensions en sortie (OVP) double
- Protection contre les sous-tensions d’alimentation (UVP) et les surtensions (OVP)
- Protection contre la surchauffe interne et externe (OTP)
- Protection contre les surintensités (OCP)
- Protection du courant d'appel (ICP)
- Protection contre l'intrusion et la sortie
- Protection des broches ouvertes et contre les courts-circuits
- Protection contre les courts-circuits de bobine
- Protection de diode en sortie contre les courts-circuits
- Protection de boucle de contrôle ouverte
- Protection contre les défaillances de Phase
- Caractéristiques supplémentaires pour le TEA2376DT
- Sortie Power good et broche d’entrée en mode rafale
- Surveillance en direct des valeurs d’état du CI (internes) au fil du temps avec l’aide de l’interface graphique conviviale similaire à la lecture d'un oscilloscope
- Communication I2C en fonctionnement
Applications
- Téléviseurs HD et U-HD
- Serveurs
- Ordinateurs de bureau et PC tout-en-un
- Consoles de jeux
- Adaptateurs haute puissance
- Alimentations 5 G
- Systèmes audio domestiques
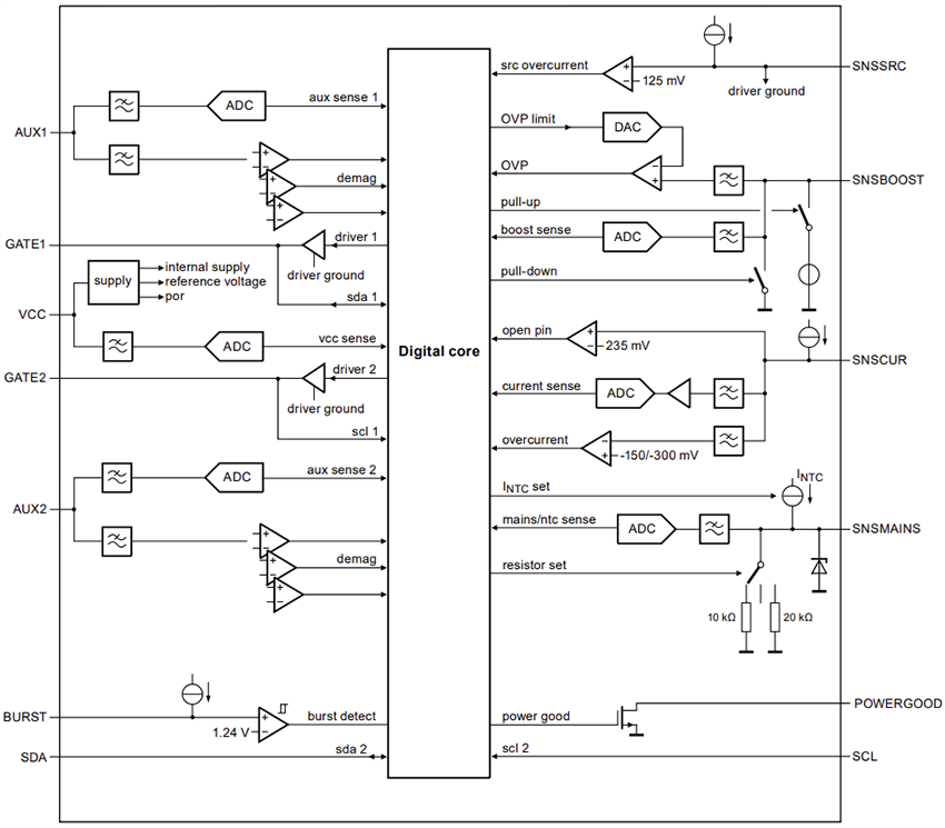
Schéma fonctionnel TEA2376AT/TEA2376BT
Schéma fonctionnel TEA2376DT
