NXP Semiconductors Contrôleur LLC et PFC multimode TEA2017AAT
Le contrôleur LLC et PFC multimode TEA2017AAT NXP Semiconductors est un contrôleur numérique configurable combinant LLC et PFC pour les alimentations résonantes à haut rendement. Le composant comprend un contrôleur LLC et une fonctionnalité de contrôleur PFC. Le TEA2017AAT peut aider les utilisateurs à créer une alimentation résonante complète, ce qui facilite la conception avec un faible nombre de composants.L’architecture numérique est basée sur une machine à états configurable à grande vitesse garantissant des performances en temps réel très fiables. Chaque configuration peut être sécurisée pour empêcher la copie non autorisée du contenu de la configuration propriétaire TEA2017AAT de NXP Semiconductors. Le composant est fourni dans un boîtier SO16 à profil mince et faible largeur de corps.
Caractéristiques
- Fonctionnalité complète d'un contrôleur PFC et LLC dans un seul boîtier SO16 de petite taille
- Haute tension de démarrage intégrée
- Pilotes intégrés et redresseur de niveau (LS) à haute tension
- Le pilote côté haut est directement alimenté par la sortie du pilote côté bas.
- Régulation précise de la tension d’amplification
- PFC peut être configuré pour fonctionner en
- DCM/QR
- DCM/QR/CCM (également appelé fonctionnement multimode)
- Fréquence fixe CCM
- Décharge de condensateur-X intégrée sans composants externes supplémentaires
- Fonction de qualité d'alimentation
- Gigue PFC pour des performances EMI optimisées
- Excellent facteur de puissance (PF) et distorsion harmonique totale (THD), car le courant PFC compense le courant du filtre d’entrée
- Plusieurs paramètres peuvent être facilement configurés pendant l’évaluation à l’aide de l’interface utilisateur graphique (GUI), comme
- Fréquences de fonctionnement à être en dehors de la zone audible à tous les modes de fonctionnement
- Démarrage progressif et arrêt progressif en mode rafale, réduisant le bruit audible
- Niveaux de transition précis entre les modes de fonctionnement (mode haute puissance/mode basse consommation/mode rafale)
- Activation/désactivation du mode basse consommation
- Commutation de tension de creux/nulle pour des pertes de commutation minimales
- Rendement extrêmement élevé de faible charge à haute charge
- Conforme aux normes et directives les plus récentes en matière d’économie d’énergie (energy Star, EuP)
- Excellente puissance d’entrée à vide (< 75 mW pour la combinaison TEA2017AAT/TEA2095T)
- Niveaux et minuteurs configurables indépendamment
- De nombreuses protections peuvent être réglées indépendamment sur le verrouillage, le redémarrage sûr ou le verrouillage après plusieurs tentatives de redémarrage.
- Protection contre les sous-tensions d'alimentation (UVP)
- Protection contre les surpuissances (OPP)
- Protection contre la surchauffe interne et externe (OTP)
- Régulation du mode capacitif (CMR)
- Protection précise contre les surtensions (OVP)
- Protection contre les surintensités (OCP)
- Protection du courant d'appel (ICP)
- Protection contre les variations de tension à la baisse/à la hausse
- Entrée de désactivation
Applications
- Ordinateurs de bureau et tout-en-un
- Alimentations de jeu
- Télévision LCD
- Adaptateurs d'ordinateurs portables et adaptateurs à usage général
- Imprimantes
- Serveur
- Alimentations 5 G
- Télévision LED UHD
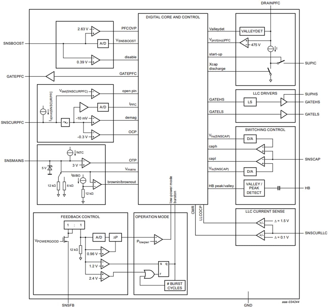
Schéma fonctionnel
Publié le: 2022-05-18
| Mis à jour le: 2023-09-26
