NXP Semiconductors Contrôleur numérique à combinaison LLC+PFC TEA2016AAT
Le contrôleur numérique à combinaison LLC+PFC TEA2016AAT NXP Semiconductors est destiné aux alimentations résonantes à haut rendement. Il comprend la fonctionnalité du contrôleur LLC et le contrôleur PFC fonctionnant en mode DCM et QR. Le TEA2016AAT permet de créer une alimentation résonante complète, facile à concevoir et comportant un très faible nombre de composants. Le TEA2016AAT est fourni dans un boîtier SO16 à profil mince et à largeur de corps étroite.L'architecture numérique du TEA2016AAT de NXP Semiconductors est basé sur une machine à états matérielle configurable à grande vitesse garantissant des performances en temps réel très fiables. Pendant le développement de l'alimentation électrique, de nombreux paramètres d'exploitation et de protection du contrôleur LLC et PFC peuvent être ajustés en chargeant de nouveaux réglages dans le dispositif pour répondre aux exigences spécifiques de l'application. Les configurations peuvent être entièrement sécurisées pour empêcher la copie non autorisée du contenu de configuration exclusif du TEA2016AAT.
Caractéristiques
- Clé
- Fonctionnalité complète des contrôleurs LLC et PFC dans un seul boîtier SO16 de petite taille
- Démarrage haute tension intégré
- Pilotes intégrés et redresseur de niveau (LS) à haute tension
- Le pilote côté haut est directement alimenté par la sortie du pilote côté bas
- Régulation précise de la tension d’amplification
- Décharge de condensateur X intégrée sans composants externes supplémentaires
- Bonne qualité de fonction
- Plusieurs paramètres peuvent être facilement configurés, tels que :
- Les fréquences de fonctionnement en dehors de la plage audible dans tous les modes de fonctionnement
- Le démarrage et l'arrêt progressif en mode rafale, réduisant le bruit audible
- Les niveaux de transition précis entre les modes de fonctionnement (mode haute puissance/mode basse consommation/mode rafale)
- Vert
- Commutation en vallée/zéro tension pour minimiser les pertes de commutation
- Haute efficacité de faible charge à charge élevée
- Conformes aux dernières normes et directives en matière d'économie d'énergie (Energy Star, EuP)
- Excellente puissance d'entrée à vide (< 75 mW pour la combinaison TEA2016AAT/TEA1995T)
- Protections
- Niveaux et minuteurs configurables indépendamment
- Toutes les protections peuvent être configurées indépendamment pour être verrouillées, redémarrées en toute sécurité ou verrouillées après plusieurs tentatives de redémarrage
- Protection contre les sous-tensions d'alimentation (UVP)
- Protection contre les surpuissances (OPP)
- Protection contre la surchauffe interne et externe (OTP)
- Régulation du mode capacitif (CMR)
- Protection précise contre les surtensions (OVP)
- Protection contre les surintensités (OCP)
- Protection du courant d'appel (ICP)
- Protection contre l'intrusion et la sortie
- Entrée de désactivation
Applications
- Ordinateurs de bureau et tout-en-un
- Télévision LCD
- Adaptateurs pour ordinateurs portables
- Imprimantes
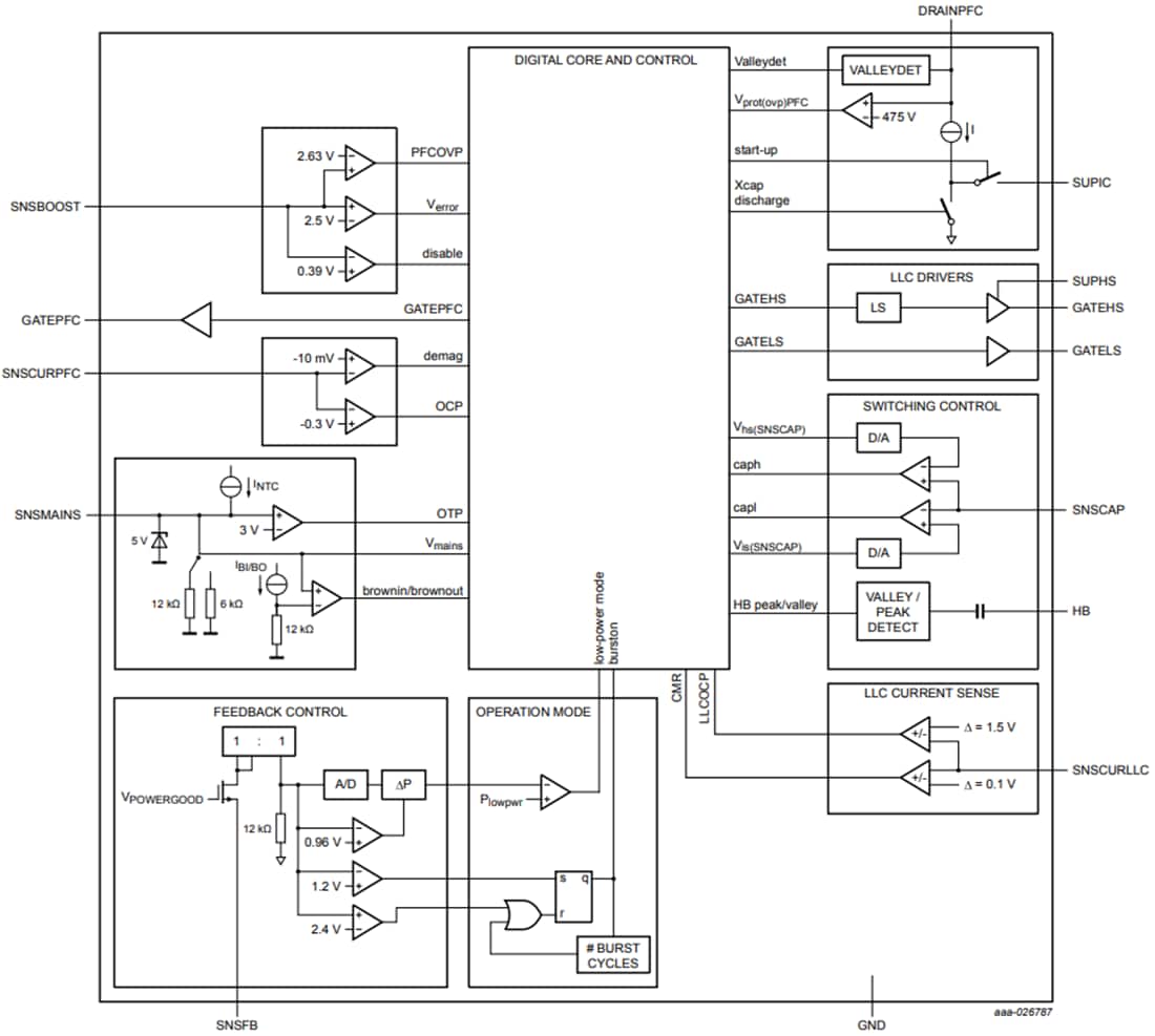
Schéma fonctionnel
Publié le: 2023-01-09
| Mis à jour le: 2023-09-26
