NXP Semiconductors Conception de référence de pompe à carburant électrique S12ZVM-EFP
La conception de référence de pompe à carburant électrique S12ZVM-EFP de NXP Semiconductors est une carte de conception de référence prête à l'emploi pour une pompe à carburant électrique automobile à moteur synchrone à aimants permanents (PMSM) triphasé de 12 V. Basée sur les microcontrôleurs à signaux mixtes S12 MagniV® S12ZVM 16 bits, la S12ZVM-EFP utilise un démarrage I/F croisé lisse et un algorithme de détection de position initiale (IPD) pour assurer un démarrage robuste et rapide pour atteindre l'objectif strict <150 ms de l'arrêt à la vitesse nominale.Caractéristiques
- Prend en charge le système d'alimentation électrique 12 V avec un système de contrôle de moteur BLDC/PMSM automobile jusqu'à 250 W
- Prend en charge le contrôle FOC sans capteur BLDC/PMSM, à la fois la dérivation double et la dérivation unique
- Démarrage robuste et rapide, satisfaisant la condition de démarrage stricte < 150 ms de l'arrêt à la vitesse nominale
- En traversant l'algorithme I/F de démarrage du courant et de détection de position initiale, assurez-vous que le démarrage est réussi
- Carte testée en fonction du changement de tension d'alimentation, du changement de charge, du saut de commande de vitesse et de l'augmentation de température
- Prend en charge plusieurs diagnostics et stratégies de protection à l'aide de la robuste unité de commande de grille (GDU)
- Prend en charge la détection de surtension (OV), de sous-tension (UV), de court-circuits et de surintensité (OC), de surchauffe (OT) et de butée
- Prend en charge les commandes de vitesse de PWM/FreeMASTER/LIN par utilisateur définition
Applications
- Pompes à carburant automobile
- BLDC/PMSM
Ressources techniques
Configuration de la carte
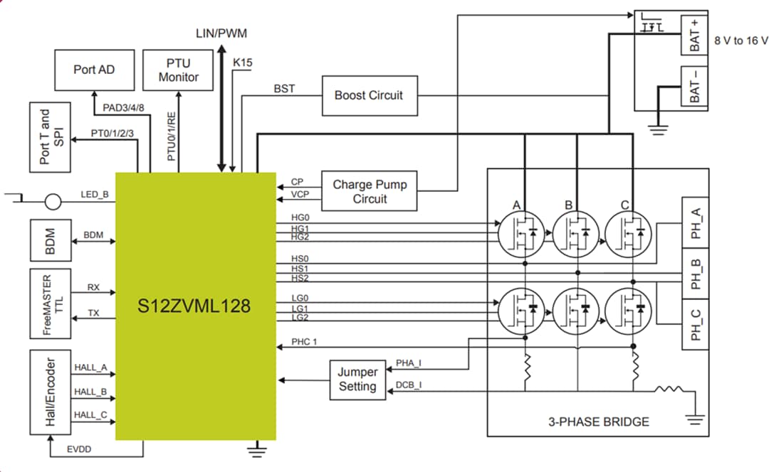
Schéma fonctionnel
Schéma de principe logiciel
Publié le: 2020-06-11
| Mis à jour le: 2024-10-25
