NXP Semiconductors Frontend NFC PN5190
Le frontend NFC PN5190 de NXP Semiconductors est un CI Frontend de Communication proche du champ (NFC) hautement intégré conforme au forum pour une communication sans contact à 13,56 MHz. Le PN5190 est bien adapté à une utilisation dans des environnements RF difficiles et à espace restreint, tels que les bornes POS ou les verrous électroniques. Le composant dispose d'une puissance de sortie RF solide, de caractéristiques de mise en forme adaptative des ondes et d'une haute sensibilité du récepteur, tout en utilisant des modes d'économie d'énergie efficaces pour prolonger la durée de vie de la batterie.La haute sensibilité de la puissance de sortie et du récepteur du PN5190 permet une large plage de communication, même avec une petite antenne, ce qui donne de hautes performances dans les conceptions à espace restreint. La large plage de températures du composant permet son fonctionnement dans les environnements industriels et extérieurs. L'interface RF robuste et les débits de données jusqu'à 848 kbit/s répondent également aux besoins des lecteurs eGov et des scénarios d'application qui reposent sur une communication rapide entre les appareils. Lorsqu'il est utilisé avec des composants ISO/CEI 15693, le Frontend PN5190 fournit une lecture rapide des capteurs ou des mises à jour de micrologiciels jusqu'à 212 kbit/s.
Le PN5190 offre également une excellente immunité au bruit, même dans les applications qui connaissent des perturbations externes sur le champ RF. La conception sophistiquée de l'alimentation analogique du composant réduit encore les perturbations du signal du récepteur, donnant une sensibilité du récepteur de 0,3 mV rms. Le contrôle adaptatif du récepteur (ARC) ajuste la sensibilité du récepteur pour offrir de meilleures performances de réception.
Pour simplifier la conception, le Frontend PN5190 communique avec tous les produits de cartes FeliCa® et MIFARE® et implémente CRYPTO dans le matériel pour la lecture/écriture de toutes les cartes basées sur MIFARE. Les droits de licence IP pour les produits NXP ISO/CEI 14443-a, Innovatron ISO/CEI 14443-B et NXP MIFARE sont déjà inclus dans le dispositif.
Le Frontend NFC PN5190 de NXP Semiconductors est proposé en boîtiers VFBGA-64 et HVQFN-40 et dispose d'une large plage de température de fonctionnement de -40°C à +105°C.
Caractéristiques
- NFC en façade compatible avec le Forum NFC avec prise en charge de tous les protocoles RF 56 MHz pertinents, y compris le mode d'émulation de carte et de P2P
- Émetteur avec une puissance de sortie RF jusqu'à 2 W
- Onde adaptative (AWS) et contrôle de puissance dynamique (DPC) 2.0
- Récepteur avec haute sensibilité, immunité au bruit et traitement EMD intégré
- Taille de trame RF prise en charge jusqu'à 1 024 octets sans chaînette
- Homologue idéal pour la communication NTAG® 5 (ISO/CEI 15693), prenant en charge des débits de données jusqu'à 212 kbit/s
- Convertisseur CC-CC intégré à faible bruit pour une alimentation unique de 3 V à puissance de sortie RF complète
- Interface hôte SPI avec des vitesses pouvant atteindre 15 MHz
- La détection de carte à puissance ultra-faible et plusieurs configurations d'économie de batterie sont disponibles
- Réglage automatique de l'antenne à travers des condensateurs variables
- Protection contre les surintensités et les surchauffes
- Entrée d'horloge externe de 24 MHz, 32 MHz et 48 MHz pour les applications de gestion d'accès
- Communication robuste pour les applications eGov avec des débits de données jusqu'à 848 kbit/s
- Plage étendue de températures de fonctionnement de −40°C à +105°C
- Options de boîtier
- VFBGA-64 4,5 mm x 5,0 mm ; pas de 0,5 mm
- HVQFN 40 5,0 mm x 5,0 mm ; pas de 0,4 mm
- Protocoles RF sous-jacents
- Mode lecture/écriture
- Prise en charge R/W type A et B ISO/CEI 14443 jusqu'à 848 kbit/s
- Supporte jusqu'à 424 kbit/s
- Lecteur NFC Forum tag type 1, 2, 3, 4, 5
- Conformité NFC Forum pour R/W – analogique et numérique
- Lecteur ISO/CEI 15693 (ICODE®)
- Débits de données propriétaires basés sur ISO/CEI15693 avec 106 kbit/s et 212 kbit/s pour la communication NTAG 5
- Lecteur EPC-HF ISO/CEI 18000 (ICODE ILT)
- EMVCo 3.0 (L1) avec traitement EMD intégré
- Mode Peer-to-Peer
- Communication passive et active (initiateur/cible)
- P2P pris en charge pour les types : A (106 kbit/s), F (212 kbit/s, 424 kbit/s)
- Mode P2P propriétaire pour type a jusqu'à 848 kbit/s
- Mode émulation de carte
- Émulation de carte hôte Type A ISO/CEI 14443 avec modulation de charge active pour des distances de communication plus longues
- Mode lecture/écriture
Applications
- Bornes POS et mPOS
- Contrôle d'accès physique
- Paramétrisation du dispositif
- eGouvernement
Vidéos
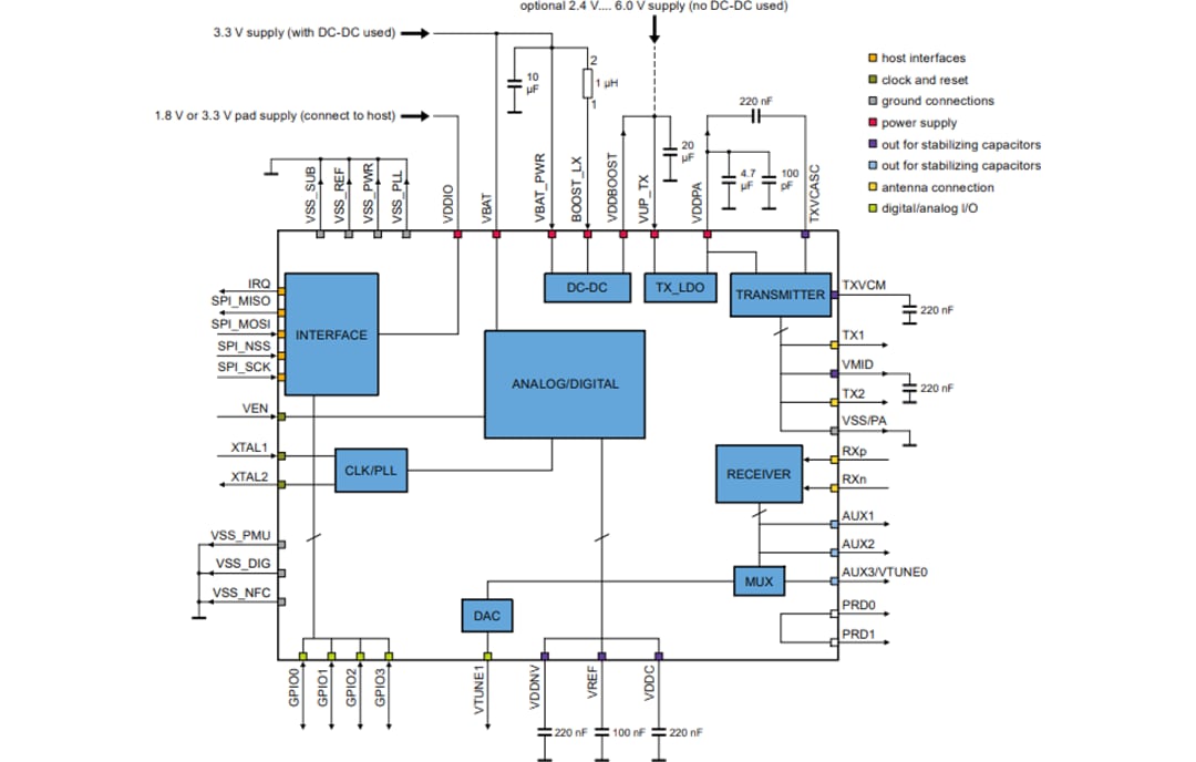
Schéma fonctionnel
