NXP Semiconductors Pilote d'éclairage LED PCA9959
La commande d’éclairage LED PCA9959 NXP Semiconductors est un pilote LED à courant prédéfini constant de 24 canaux, contrôlé par bus série 4-wire, compatible SPI en chaîne. Ce pilote est optimisé pour l’atténuation et le clignotement des LED 63 mA rouge, vert, bleu et ambre (RGBA). Chaque sortie LED offre une configuration de courant prédéfinie à résolution de 6 bits (64 niveaux) avec une précision absolue de ±8 %. Le PCA9959 fonctionne sur une plage de tension d’alimentation de 2,7 V à 5,5 V et comprend un circuit de détection de surchauffe et de faible charge ouvert. Le pilote utilise un bus série de lecture/écriture à quatre fils avec une fréquence d’horloge de données plus élevée jusqu’à 10 MHz. Les Applications comprennent les pilotes LED RVBA, les informations d’état des LED, la communication à codage IR, les rétroéclairages LCD et les rétroéclairages à pavé numérique pour les téléphones portables. Le pilote d’éclairage LED PCA9959 NXP Semiconductors est proposé en boîtier compact 5 mm x 5 mm x 0,85 mm HVQFN40, avec une plage de température de fonctionnement de -40°C à +85°C.Caractéristiques
- 24 pilotes LED avec chaque sortie programmable à
- désactivée
- activée
- luminosité LED programmable 6 bits
- Délai de sortie LED Programmable pour réduire les EMI et les surintensités
- Commande de la gradation pour tous les canaux
- Chaque canal peut être affecté à l'un des 4 groupes de contrôle de gradation
- 64 grilles pour le contrôle de graduation pour chaque canal
- Période de grille programmable
- 4 options de courant prédéfini pour chaque canal pendant le contrôle de la gradation
- Mode de détection de surchauffe/circuit ouvert/court-circuit de charge pour détecter les erreurs de LED individuellement
- 24 canaux de sortie de courant prédéfini constant peuvent dissiper jusqu’à 63 mA et tolérer jusqu’à 5,5 V lorsqu’ils sont éteints
- Courant préréglé à la sortie ajusté via une résistance externe (entrée REXT)
- Précision de courant prédéfinie à la sortie :
- Précision absolue ±8 % avec courant de sortie 60 mA
- Précision absolue ±6,5 % avec courant de sortie 30 mA
- variation canal-à-canal maximale ±5 %
- variation dispositif-à-dispositif maximale ±7 %
- Faible courant de préréglage en mode veille
- Broche d'entrée d'activation de sortie (OE) active basse
- Plage de tension d’alimentation de fonctionnement de 2,7 V à 5,5 V(VDD)
- Entrées tolérantes 5,5 V sur les broches non LED
- Plage de température de fonctionnement de -40 °C à +85 °C
- Interface de bus série à 4 fils avec cycle d’horloge de données 10 MHz
- Réinitialisation interne de l'alimentation
- La performance de verrouillage dépasse 100 mA selon JESD 78, catégorie II
- La protection DES dépasse 2 kV HBM par JESD22-A114
- Boîtier 5 mm x 5 mm 0,85 mm HVQFN40
Applications
- Pilotes LED RVB ou RVBA
- Informations d'état LED
- Rétro-éclairage de pavé numérique pour téléphones mobiles et appareils portables
- Fondus d'ouverture et de fermeture pour contrôle lumineux de respiration
- Affichage à DEL
- Rétro-éclairage LCD
- Communications de codage IR qui utilisent une séquence/luminosité préprogrammée
Vidéos
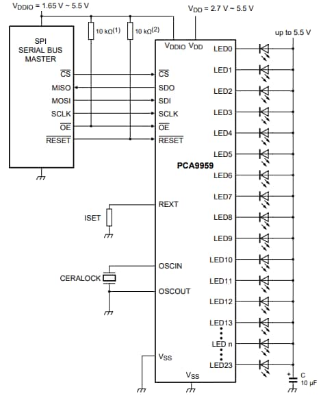
Schéma fonctionnel
Schéma d'application
Ressources supplémentaires
Publié le: 2020-10-26
| Mis à jour le: 2024-09-04
