NXP Semiconductors Émetteur-récepteur de conversion à alimentation bipolaire symétrique P3A1604UK
L'émetteur-récepteur de conversion à alimentation bipolaire symétrique P3A1604UK de NXP Semiconductors est un dispositif à 4 bits polyvalent conçu pour la conversion de niveau de tension bidirectionnelle avec détection automatique de direction. Le CI P3A1604UK de NXP prend en charge une large plage de tension d'alimentation, avec VCCA de 0,72 V à 1,98 V et VCCB de 1,62 V à 3,63 V, ce qui le rend adapté à l'interfaçage entre différents nœuds de tension. Le P3A1604UK est idéal pour les applications I3C, I2C, SMBus et SPI, offrant un débit de données maximum de 40 Mbit/s en mode push-pull. Sa conception robuste comprend une protection DES dépassant 2 000 V (HBM) et 500 V (CDM), et le CI fonctionne de manière fiable sur une plage de température de -40 °C à +125 °C. Cet émetteur-récepteur est parfait pour les applications mobiles, industrielles et grand public, offrant une intégration transparente et une conversion efficace du niveau de tension.Caractéristiques
- Détection automatique de direction et conversion du niveau de tension bidirectionnelle
- Large plage de tension d'alimentation
- De 0,72 V à 1,98 V pour VCCA
- De 1,62 V à 3,63 V pour VCCB
- Aucun séquençage de l'alimentation requis
- Débit de données maximum (DDR) par bit
- 6,8 Mbit/s (3,4 MHz) drain ouvert
- 40 Mbit/s (20 MHz) push-pull
- Prend en charge les interfaces I3C, I2C, SMBus, SPI et UART
- Pulse unique plus long pour piloter des charges capacitives plus importantes avec une réduction des sonneries et des dépassements
- Les entrées côté A et d'activation de sortie (OE) acceptent des tensions allant jusqu'à 1,98 V
- Les entrées côté B acceptent des tensions allant jusqu'à 3,63 V
- Protection contre les décharges électrostatiques (DES)
- HBM dépasse 2 000 V selon la norme JESD22-A114E classe 2
- CDM dépasse 500 V selon la norme JESD22-C101E
- Courant de verrouillage E/S de 100 mA, JESD 78
- Boîtier WLCSP12 (SOT2063-4), 1,405 mm x 1,055 mm avec un pas de 0,35 mm
- Plage de température de fonctionnement de -40 °C à +125 °C
Applications
- Mobile
- I3C, I2C et SMBus
- SPI
- Serveurs
Caractéristiques techniques
- Fréquence de montée/descente maximale des transitions d'entrée de 10 ns/V
- Courant de fuite d'entrée maximal de 1 μA
- Plage de courant de sortie maximal à l'état bloqué de 2 μA à 3 μA
- Capacité d'entrée standard de 2 pF
- Capacité E/S standard
- 7 pF pour le port A
- 5,5 pF pour le port B
- Temps de mise sous tension maximum de 3 μs
- Plage de temps de désactivation de 0,4 μs à 0,8 μs
- Temps de décalage de sortie maximum de 0,3 ns entre les canaux
- Plage de débit de données de 0,128 Mbit/s à 40 Mbit/s
- Résistance thermique
- Jonction-température ambiante 77,9 °C/W
- Caractérisation jonction-haut 9,3 °C/W
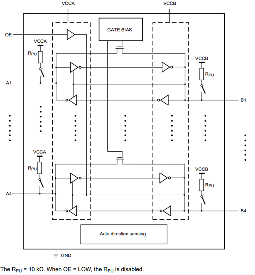
Schéma fonctionnel
Circuit d'application standard
Architecture
Publié le: 2025-04-21
| Mis à jour le: 2025-04-24
