NXP Semiconductors CI frontaux analogiques à 8 canaux NAFEx88
Les circuits intégrés (CI) NAFEx88 à 8 canaux de NXP Semiconductors sont des CI d'entrée universels à 8 canaux hautement configurables de qualité industrielle qui répondent aux exigences de mesure de haute précision. Ces CI AFE intègrent des multiplexeurs rapides haute tension (HT) à faible fuite, des amplificateurs à gain programmable (PGA) à faible décalage et faible dérive, ainsi que des tampons. Les CI AFE NAFEx88 sont équipés de divers circuits de diagnostic et de surveillance de l'alimentation pour la surveillance de l'état et la détection des anomalies. Ces CI AFE sont dotés d'un convertisseur analogique-numérique (CAN) Delta-Sigma 24 bits à haut débit, d'une source d'excitation de tension et de courant précise et d'une référence de tension à faible dérive. Les CI AFE NAFEx88 fournissent deux sources de tension d'étalonnage précises pour faciliter l'auto-étalonnage de bout en bout du système et la maintenance prédictive.Les CI à 8 canaux NAFE13388/NAFE73388 sont étalonnés en usine et le CI NAFE13188 n’est pas étalonné en usine. Les applications standard incluent les systèmes d’acquisition de données, l’automatisation industrielle et le contrôle des processus, les PLC et les modules d'E/S DCS.
Caractéristiques
- Huit entrées HT configurables :
- Jusqu’à ±25 V pour les plages asymétriques ou différentielles
- Configurations indépendantes pour la tension, le courant, la résistance, le détecteur de température de résistance (RTD) et le thermocouple
- Protection contre les surtensions jusqu’à ±36 V pendant moins d’une heure
- Haute précision :
- précision FS de 0,005 % dans la pièce après étalonnage utilisateur
- précision FS de 0,1 % sur la plage de température de -25 °C à 105 °C
- Étalonnage du système :
- Étalonnage de bout en bout avec sources de tension précises intégrées
- Produits précis étalonnés en usine disponibles
- Capteur de température interne de ± 3 °C
- Sources de courant et de tension d’excitation précises
- Précision de l’oscillateur interne de 0,2 % à température ambiante
- Système de diagnostic pour la détection et la prévision des défaillances
- Détection d’erreur CRC
- Dix GPIO
- Interface SPI de 32 MHz
- Protection robuste contre les surtensions de 7,5 kV HBM ESD et de 2 kV IEC61000-4-5
- Alimentation électrique :
- Haute tension (HV) : ±7 V à ±24 V
- Basse tension (LV) : 3,3 V
- Plage de température de fonctionnement de -40 °C à 125 °C
- Boîtier HVQFN 9 mm x 9 mm x 0,85 mm à 64 broches
Applications
- Système d'acquisition de données
- Contrôleurs logiques programmables (PLC) et modules d'E/S DCS
- Automatisation industrielle et contrôle des processus
Caractéristiques techniques
- CI NAFE73388 :
- Débits de données rapides :
- 15 S/s à 576 kSPS
- ENOB 17 bits à 144 kSPS
- Faible consommation électrique de 160 mW
- Débits de données rapides :
- CI NAFE13388/NAFE13188 :
- Débits de données rapides :
- 7.5SPS à 288kSPS
- ENOB 17 bits à 72 kSPS
- Faible consommation d'énergie de 150 mW
- Débits de données rapides :
Vidéos
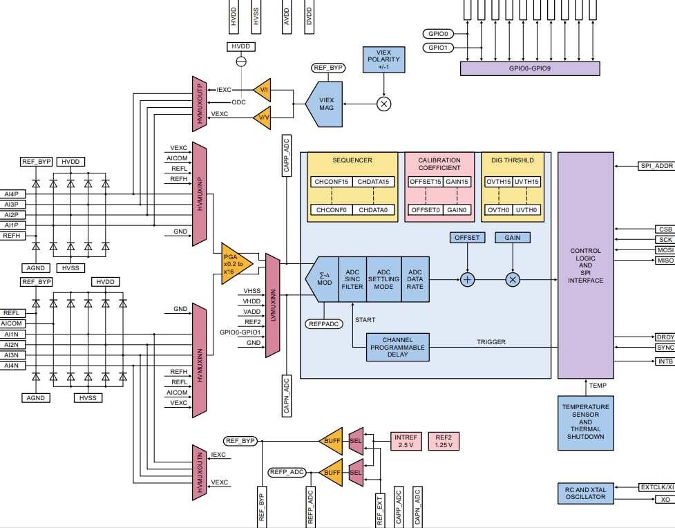
Schéma fonctionnel
Publié le: 2024-03-04
| Mis à jour le: 2025-01-22
