NXP Semiconductors Carte d'évaluation NAFE11388-EVB
La carte d'évaluation NAFE11388-EVB de NXP Semiconductors évalue le frontal analogique (AFE) à entrée universelle (AFE) 8 canaux de qualité industrielle NAFE11388. L'AFE de NXP satisfait les exigences de mesure de haute précision. L'usine définie par logiciel est activée par le frontal analogique N-AFE de NXP. Au-delà de l'industrie 4.0, la fabrication est aujourd'hui confrontée à une transformation significative appelée Industrie 4.0. Les exigences du marché telles que l'augmentation de la variabilité des produits changent la production. Pour répondre à ces demandes, un moyen de reconfigurer les lignes de production pour les exécuter rapidement est nécessaire pour maintenir les marges bénéficiaires. La capacité des usines intelligentes à reconfigurer est essentielle. L'interface frontale analogique N-AFE ciblant les applications d'automatisation d'usine peut être configurée pour différentes entrées telles que la tension, le courant, la résistance, le RTD et bien plus encore pour permettre une usine définie par logiciel.Caractéristiques
- Jusqu'à 8 canaux configurables par logiciel
- Tension, courant, RTD, thermocouple
- Plages +/-0,15 à +/-12,5 pour les signaux asymétriques
- Protection contre les erreurs de câblage : ±40 V
- Précision élevée
- Précision du système de 0,002 % à l'intérieur
- Précision du système de 0,05 % en température
- Non linéarité au niveau système de 10 ppm max.
- Haute précision, portée dynamique de 180 dB
- ENOB 17 bits à 7 µs/lecture pour entrée simple
- ENOB 17 bits à 36 µs/lecture pour entrées multiples
- 1,0 µVrms à 2,25 kS/s
- 0,2 µVrms à 60 S/s et 50 S/s
- Acquisition de données rapide et flexible
- 20 µs/lecture pour les entrées multiples
- Séquenceur rapide et configurable pour décharger EP
- Modes de lecture rapides et flexibles
- Étalonnage numérique en usine et auto-étalonnage
- NVM de largeur 24 bits x profondeur 48 mots pour les coefficients d'étalonnage
- Sources internes pour l'auto-étalonnage du système
- Protection et diagnostic avancés
- Surveillance des alimentations, UVLO, OVD sur le chemin du signal
- Capteur de température et référence de tension redondante
- BIST pour une surveillance complète du chemin du signal et pour une prévision des défaillances et du vieillissement
Applications
- Transformation dans la fabrication de l'Industrie 4.0
- Variabilité de produits accrue dans la production traditionnelle
- Reconfiguration opportune des lignes de production pour maintenir les marges bénéficiaires
- Usines intelligentes et la capacité de reconfigurer
- Frontal analogique N-AFE pour l'automatisation d'usine
- Prise en charge de différents types d'entrées (tension, courant, résistance, RTD)
- Usines définies par logiciel
- Précision améliorée pour une meilleure qualité de produit
- Maintenance prédictive pour identifier les problèmes avant qu'ils ne se produisent et éviter les temps d'arrêt
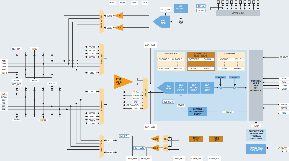
Schéma fonctionnel
Publié le: 2022-12-02
| Mis à jour le: 2023-01-16
