NXP Semiconductors Pilotes de grille IGBT/SIC avancés MC33GD3100
Les commandes de grilles IGBT/SiC avancées MC33GD3100 de NXP Semiconductors sont des commandes de grilles monocanal pour les transistors bipolaires (IGBT) à grille isolée et les dispositifs de puissance au carbure de silicium (SiC). Les pilotes de grille MC33GD3100 NXP disposent de caractéristiques avancées de sécurité fonctionnelle, de contrôle et de protection, ce qui les rend idéaux pour les applications de groupes motopropulseurs automobiles et EV (entièrement homologués AEC-Q100 classe 1). Les transistors à isolation galvanique intégrée et faible résistance à l’état passant fournissent un courant de charge et de décharge élevé, une faible tension de saturation dynamique et un contrôle de tension de grille rail-à-rail. La détection de courant et de température minimise la contrainte IGBT en cas de défauts. Le verrouillage de sous-tension (UVLO) précis et configurable protège tout en garantissant une marge de tension de commande de grille suffisante.Le MC33GD3100 gère de manière autonome les défauts graves et signale les défauts et l'état via la broche INTB et une interface SPI. Il est capable de piloter directement des portes de la plupart des IGBT et des MOSFET SIC. Des fonctions d’auto-test, de contrôle et de protection sont incluses dans la conception de systèmes à haute fiabilité (ASIL C/D).
Caractéristiques
- Interface SPI pour la surveillance de la sécurité, la programmabilité et la flexibilité
- Faible retard de propagation et distorsion MLI minimale
- Isolation de signal galvanique intégrée jusqu’à 8 kV
- Étage de puissance de commande de grille intégré capable d'une source et d'un dissipateur de crête de 15 A
- Pince Miller active entièrement programmable
- Compatible avec l'alimentation de grille négative
- Compatible avec les IGBT de détection de courant et de température
- Arrêt progressif intégré, arrêt à deux niveaux, limitation active et entraînement segmenté pour le façonnage d’onde
- CMTI > 100 V/ns
- >125 kW compatible avec les IGBT/SiC de 200 V à 1 700 V, plage de puissance >7,8 mm de distance de fuite externe (CPG)
- Fréquence de fonctionnement >40 kHz
- Interfaces MCU tolérantes 5,0 V et 3,3 V disponibles
- Plage de température de fonctionnement : -40 °C à +125 °C
- Type de boîtier SOIC à corps large 32 broches
- Sécurité
- Certifié selon les exigences de sécurité fonctionnelle ASIL D ISO26262 pour les diagnostics complets
- Entrées de détection de courant, DESAT et température et rapport CAN pour la surveillance IGBT/SiC
- protection rapide contre les courts-circuits, protection contre les surintensités, avertissement de température et arrêt
- Broche d'interruption pour une réponse rapide aux défauts
- Auto-vérification intégrée de tous les circuits analogiques et numériques
- Watchdog continu des communications puce à puce
- Forçage d'un temps mort
- Supervision des surtensions et des sous-tensions de toutes les alimentations du côté basse et haute tension
- Broches de gestion d’état de sécurité côté basse et haute tension
- Surveillance cycle par cycle en temps réel VGE
- Homologations réglementaires
- Isolation renforcée selon DIN V VDE V 0884-10
- Résiste à une isolation de 2 500 VRMS (1 minute) conformément à UL 1577
- Avis d'acceptation de composant CSA 5 A
- Qualifié pour l'automobile AEC-Q100 classe 1
Applications
- Systèmes de gestion de batterie (BMS)
- Convertisseurs de traction de véhicules électriques
- Véhicules électriques hybrides (HEV)
- Entraînements à moteur industriels
Schéma fonctionnel
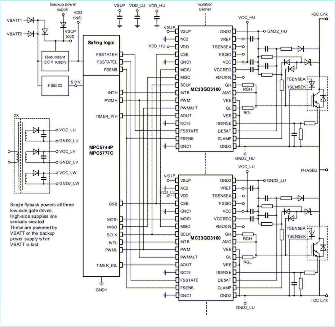
Circuit d’application standard
Ressources supplémentaires
Publié le: 2020-01-16
| Mis à jour le: 2024-10-30
